
Die Gebuwin Elektroseilwinde e-W ist eine elektrische Zug- und Hebe-Seilwinde mit integrierter elektrischer Bremse und Drehstrommotor für den stationären Industrieeinsatz.
Die Gebuwin Elektroseilwinde e-W ist eine elektrische Zug- und Hebe-Seilwinde mit integrierter elektrischer Bremse und Drehstrommotor für den stationären Industrieeinsatz.
Die Elektroseilwinde e-W von Gebuwin (auch e-Winch) ist eine neu entwickelte, elektrische Zug- und Hebe-Seilwinde für anspruchsvolle Anwendungen in Industrie und Instandhaltung. Die Winde ist als stationäre Lösung ausgelegt und kombiniert eine robuste Konstruktion mit wartungsfreien Lagern, einem leistungsstarken Drehstrommotor sowie einer integrierten elektrischen Bremse, die Lasten kontrolliert bewegen und in jeder Position halten kann.
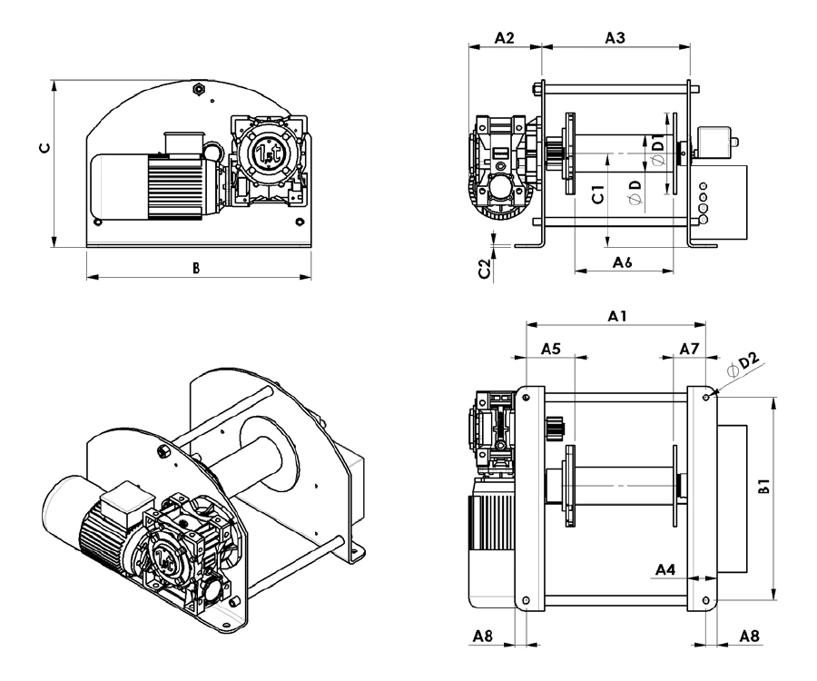
Konstruktion und Aufbau sind auf den professionellen Einsatz ausgerichtet: Der Rahmen besteht aus Stahlblech, die Stahl-Seiltrommel liegt zwischen zwei Rahmenplatten und wird über eine Getriebeeinheit mit Schneckengetriebe (ab e-W1000 zusätzlich mit weiterer Zahnradübertragung) angetrieben. Standardmäßig ist die Winde für den Betrieb an Mehrbereichsspannung 380–415 V bei 50–60 Hz vorgesehen.
Die e-W wird eingesetzt, wenn Lasten zuverlässig gehoben, abgelassen oder gezogen werden müssen – typischerweise in Werkstätten, Produktion, Montage, Instandhaltung und bei stationären Seilzug-/Zuganlagen. Laut Betriebsanleitung ist sie u. a. geeignet für das vertikale Heben nicht geführter Lasten, horizontale Bewegungen auf geneigten Flächen sowie das Bewegen von Klappen, Deckeln und vergleichbaren Bauteilen.
Die Serie umfasst Ausführungen mit Kapazitäten von 250 kg, 500 kg, 1000 kg, 1500 kg, 2000 kg und 3000 kg (jeweils bezogen auf die 1. Seillage). Für jede Kapazität sind Zugwinden und Hubwinden vorgesehen; für Hubanwendungen ist ein Endschalter erforderlich.
Die e-W ist zum Heben und Ziehen gemäß EN 13157 vorgesehen. In der CE-Erklärung wird die Maschinenrichtlinie 2006/42/EG genannt; als angewandte bzw. herangezogene Standards sind u. a. ISO 12100, EN 13157, DIN 15020 und EN 14492 aufgeführt.
Die e-W ist für die Befestigung an Wänden, Böden, Masten oder vergleichbaren tragfähigen Konstruktionen vorgesehen. Für die Montage sind die in der Betriebsanleitung vorgesehenen Montagepositionen einzuhalten (u. a. im Hinblick auf Schmierung und Abdichtung des Schneckengetriebes).
Für Außeninstallationen wird eine zusätzliche Abdeckung empfohlen, um Motor und Bremse vor Witterungseinflüssen zu schützen. Die angegebene Seilzugkraft der ersten Lage darf nicht überschritten werden.
| Modell | Kapazität 1. Schicht (kg) | Kapazität oberste Schicht (kg) | Seilgeschwindigkeit (m/min) | Drahtseil-Ø (mm) | MBL Kabel (kN) | Seilaufnahme 1. Schicht (m) | Seilaufnahme letzte Schicht (m) | Motorleistung (400 V) (kW) | Stromstärke (400 V) (A) | FEM | Gewicht (ohne Seil) (kg) |
|---|---|---|---|---|---|---|---|---|---|---|---|
| e-W250 | 250 | 109 (12) | 5.2 | 4 | 9 | 5.7 | 122 | 0.37 | 1 | 1Bm | 52 |
| e-W500 | 500 | 247 (7) | 5.4 | 6 | 18 | 3.8 | 45 | 0.75 | 2 | 1Bm | 60 |
| e-W1000 | 1000 | 570 (7) | 5.4 | 8 | 36 | 9.7 | 100 | 1.1 | 2.7 | 1Cm | 107 |
| e-W1500 | 1500 | 927 (5) | 4.4 | 10 | 36 | 7.7 | 55 | 1.8 | 4.6 | 1Cm | 122 |
| e-W2000 | 2000 | 998 (8) | 4.7 | 12 | 70 | 6.8 | 94 | 2 | 6.4 | 1Cm | 180 |
| e-W3000 | 3000 | 1957 (5) | 3.6 | 14 | 114 | 7.4 | 54 | 3 | 6.4 | 1Cm | 192 |
Hinweis: Endschalter ist für Hubanwendungen erforderlich. Der Betrieb als Zugwinde und Hubwinde ist vorgesehen; die Auswahl erfolgt anhand der Anwendung und der benötigten Ausstattung.
Kurzprofil und Variantenübersicht.
https://www.tomanro.de/5322-Gebuwin_Elektroseilwinde_e_W-TypenTechnische Daten und Optionen im Überblick.
https://www.tomanro.de/pdf/Produktblatt-Elektroseilwinde-e-winch-e-W250-3000.pdfSicherheits- und Montagevorgaben aus dem Handbuch.
https://www.tomanro.de/pdf/Instruction-manual-%26-CE-Electric-e-Winch-250-3000.pdfSerienausstattung und Ausführungen je Kapazität.
https://www.tomanro.de/pdf/TOMANRO/Katalogseite-Gebuwin-Elektroseilwinde_e-W.pdfUmlenkrolle für robuste Seilführung.
https://www.tomanro.de/5326-Gebuwin_Rollenbock_KB-TypenEdelstahl 316 für korrosive Umgebungen.
https://www.tomanro.de/5327-Gebuwin_Rollenbock_aus_Edelstahl_KB-TypenSeilführung und Richtungsänderung im Seilzug.
https://www.tomanro.de/6-Umlenkrollen-HauptgruppeSeilenden fachgerecht sichern und montieren.
https://www.tomanro.de/265-Drahtseilklemmen-GruppeWeitere Gebuwin-Produkte und Kategorien.
https://www.tomanro.de/112-Gebuwin-Hersteller
