
Der Gebuwin Rollenbock KB ist eine robuste Umlenkrolle zur sicheren Führung und Umlenkung von Drahtseilen bei Hand- und Elektroseilwinden. Die stabile Stahlkonsole in Kombination mit einer Gusseisen-Seilscheibe reduziert Reibung und Verschleiß bei Zug- und Positionierarbeiten. Für den hängenden Einsatz ist eine Tragkraftreduzierung um 25% zu berücksichtigen.
Der Gebuwin Rollenbock KB ist eine robuste Umlenkrolle zur sicheren Führung und Umlenkung von Drahtseilen bei Hand- und Elektroseilwinden. Die stabile Stahlkonsole in Kombination mit einer Gusseisen-Seilscheibe reduziert Reibung und Verschleiß bei Zug- und Positionierarbeiten. Für den hängenden Einsatz ist eine Tragkraftreduzierung um 25% zu berücksichtigen.
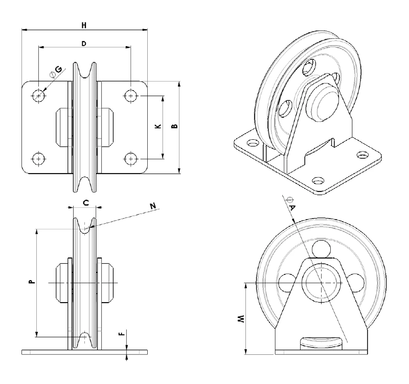
Der Rollenbock KB von Gebuwin ist ein robuster Seilrollenbock (Umlenkrolle im Stahlbock) zur Umlenkung und Führung von Drahtseilen bei Handseilwinden und Elektroseilwinden. Die Kombination aus stabiler Stahlblech-Konsole und Gusseisen-Seilscheibe mit Gleitlager sorgt für eine präzise Seilführung und reduziert Reibung beim Ziehen, Heben und Positionieren schwerer Lasten. Ein wichtiger Praxis-Hinweis: Im hängenden Einsatz (z. B. Deckenmontage) verringert sich die zulässige Tragkraft um 25%.
Der KB Rollenbock wird eingesetzt, wenn ein Drahtseil am Einsatzort sicher umgelenkt oder in eine saubere Zuglinie gebracht werden muss – z. B. zur Richtungsänderung am Mast, an der Wand oder an Stahlkonstruktionen. Er eignet sich sowohl als fester Umlenkpunkt in stationären Anlagen als auch für wiederkehrende Montagen, bei denen eine robuste Seilführung den Verschleiß reduziert und die Bedienung der Winde deutlich erleichtert.
Die KB-Serie ist in mehreren Tragfähigkeiten verfügbar und wird über den Typ (z. B. KB150 bis KB7500) dimensioniert – entscheidend sind dabei max. Seildurchmesser und max. Seilzugkraft bei 180° Umlenkung. Für korrosive Umgebungen (z. B. maritim, Offshore, chemische Industrie) steht zudem eine Variante als Rollenbock aus Edelstahl (Rolle und Bock in Edelstahl 316) zur Verfügung.
| Typ | Max. Seil-Ø | Max. Seilzugkraft bei 180° | Rollenaußen-Ø | Rolleninnen-Ø | Artikel-Nr. |
|---|---|---|---|---|---|
| KB150 | 4 mm | 150 kg | 90 mm | 72 mm | GEB-77001760 |
| KB300 | 4 mm | 300 kg | 100 mm | 80 mm | GEB-77001750 |
| KB600 | 6 mm | 600 kg | 120 mm | 98 mm | GEB-77001700 |
| KB1500 | 10 mm | 1500 kg | 155 mm | 129 mm | GEB-77001710 |
| KB2000 | 12 mm | 2000 kg | 220 mm | 184 mm | GEB-77001720 |
| KB4000 | 16 mm | 4000 kg | 260 mm | 222 mm | GEB-77001730 |
| KB7500 | 22 mm | 7500 kg | 310 mm | 250 mm | GEB-77001740 |
Für die Auswahl gilt: Seildurchmesser und Seilzugkraft müssen zur Anwendung passen, und das Drahtseil sollte zentrisch in die Rille einlaufen. In der Betriebsanleitung wird zudem ein maximaler seitlicher Ablenkwinkel (Run-off) von 3° genannt, um ein Verklemmen oder unzulässige Querkräfte auf die Rolle zu vermeiden.
Der Rollenbock KB ist ein Bauteil zur Drahtseil-Umlenkung und muss auf eine tragfähige Konstruktion mit geeignetem Befestigungsmaterial montiert werden. Die CE-Erklärung verweist auf die Maschinenrichtlinie 2006/42/EG und nennt u. a. ISO 12100 sowie EN 13157 als angewandte Normen; außerdem wird eine jährliche Prüfung durch eine fachkundige Person gefordert. Für die Praxis wichtig: Tragkraft nie überschreiten, keine Dauerbelastung als „kontinuierlicher Betrieb“ einplanen und ohne ATEX-Option nicht in Bereichen mit aggressiven oder explosiven Stoffen einsetzen.
Ein Rollenbock entfaltet seinen Nutzen erst im System: Typische Ergänzungen sind passende Gebuwin Handseilwinden oder Gebuwin Elektroseilwinden sowie ein geeignetes Drahtseil im korrekten Durchmesser. Für korrosive Umgebungen bietet sich der Gebuwin Rollenbock aus Edelstahl (KB) an, um die Standzeit deutlich zu erhöhen.
https://www.tomanro.de/5326-Gebuwin_Rollenbock_KB-Typen
https://www.tomanro.de/5327-Gebuwin_Rollenbock_aus_Edelstahl_KB-Typen
https://www.tomanro.de/5315-Gebuwin_Handseilwinde_WW-Typen
https://www.tomanro.de/5322-Gebuwin_Elektroseilwinde_e_W-Typen
