
Die Laufrollen Nr. 1041 sind für handbetriebene, untenlaufende Schiebetore konzipiert. Sie kombinieren eine stabile Bauweise mit präziser Lagerung und eignen sich hervorragend für Tore mit mittleren bis hohen Lastanforderungen. Je nach Rollendurchmesser kommen Stahl (160 mm) oder Grauguss (200–240 mm) zum Einsatz.
Die Laufrollen Nr. 1041 sind für handbetriebene, untenlaufende Schiebetore konzipiert. Sie kombinieren eine stabile Bauweise mit präziser Lagerung und eignen sich hervorragend für Tore mit mittleren bis hohen Lastanforderungen. Je nach Rollendurchmesser kommen Stahl (160 mm) oder Grauguss (200–240 mm) zum Einsatz.
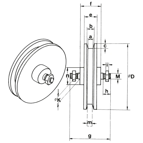
Die Laufrollen Nr. 1041 von CAH Heiderich sind für handbetriebene, untenlaufende Schiebetore konzipiert und verbinden eine stabile Bauweise mit einer präzisen Lagerung für einen dauerhaft zuverlässigen Torlauf. Je nach Nenngröße kommen Rollen aus Stahl (bei 160 mm Rollendurchmesser) oder aus Grauguss (bei 200–240 mm Rollendurchmesser) zum Einsatz.
Alle Varianten sind mit zwei Präzisions-Rillenkugellagern ausgestattet und verfügen über eine Achse aus blankgezogenem Rundstahl, die hochfest und verwindungssteif ausgeführt ist. Für die Wartung ist ein Druckschmiernippel integriert, sodass die Schmierung im eingebauten Zustand einfach durchgeführt werden kann.
Die Serie umfasst mehrere Nenngrößen, die sich über Rollenaußen-Ø, Breite der Führungsschiene, Werkstoff und Tragfähigkeit unterscheiden. Die Ausführung NG 160 nutzt eine Stahlrolle, während die größeren Varianten NG 200, NG 220 und NG 240 mit Rollen aus Grauguss ausgeführt sind.
| Nenngröße | Rollenaußen-Ø | Breite der Führungsschiene | Lagerung | Für Anlagentyp | Montageart | Werkstoff | Tragfähigkeit | Gewicht ca. | Artikel-Nr. |
|---|---|---|---|---|---|---|---|---|---|
| NG 160 | 160 mm | 22 mm | Kugellager | Schiebetor | Verschrauben | Stahl | 450 kg | 3.89 kg | CAH-1041-160 |
| NG 200 | 200 mm | 32 mm | Kugellager | Schiebetor | Verschrauben | Grauguss | 950 kg | 6.7 kg | CAH-1041-200 |
| NG 220 | 220 mm | 32 mm | Kugellager | Schiebetor | Verschrauben | Grauguss | 1050 kg | 8.4 kg | CAH-1041-220 |
| NG 240 | 240 mm | 34 mm | Kugellager | Schiebetor | Verschrauben | Grauguss | 1250 kg | 14 kg | CAH-1041-240 |
Variantenübersicht und Basisdaten.
https://www.tomanro.de/5282-CAH_Heiderich_Laufrollen_mit_Achse_1041-TypenStahlrolle für kompaktere Ausführungen.
https://www.tomanro.de/72836-CAH_Heiderich_Laufrollen_mit_Achse_1041_NG_160-ProdukteGraugussrolle für höhere Lasten.
https://www.tomanro.de/72837-CAH_Heiderich_Laufrollen_mit_Achse_1041_NG_200-ProdukteGrauguss-Ausführung mit erhöhter Tragfähigkeit.
https://www.tomanro.de/72838-CAH_Heiderich_Laufrollen_mit_Achse_1041_NG_220-ProdukteMaximale Ausführung der Serie für hohe Lasten.
https://www.tomanro.de/72839-CAH_Heiderich_Laufrollen_mit_Achse_1041_NG_240-ProdukteKurzübersicht zum Typ im Katalogformat.
https://www.tomanro.de/Katalogseite.php?TypNr=5282Dokument mit Typinformationen als PDF.
https://www.tomanro.de/pdf/CAH-Katalog-1041.pdfSeitliche Führung zur Stabilisierung des Torlaufs.
https://www.tomanro.de/5280-CAH_Heiderich_Lose_Fuehrungsrolle_218-TypenAlternative Rollenserie für bodengeführte Schiebetore.
https://www.tomanro.de/5283-CAH_Heiderich_Schiebetorrolle_751-TypenRollenlösung für Falttor-Konstruktionen.
https://www.tomanro.de/5286-CAH_Heiderich_Falttorrolle_750-Typen
