
Die Schraubklemme WF von REMA ist eine leichte Spindelklemme zum Anschlagen, Heben und Positionieren von Stahl-Bauteilen wie Trägern, Blechen und Profilen. Über Feingewinde und die Klemmmechanik wird eine hohe Klemmkraft aufgebaut, wobei zwei Aufhängeösen den Einsatz für vertikale und horizontale Zugrichtungen ermöglichen. Varianten unterscheiden sich in Tragfähigkeit und Greifbereich (z. B. 3–28 mm bis 9–53 mm), sodass die Klemme passend zur Materialstärke ausgewählt werden kann.
Die Schraubklemme WF von REMA ist eine leichte Spindelklemme zum Anschlagen, Heben und Positionieren von Stahl-Bauteilen wie Trägern, Blechen und Profilen. Über Feingewinde und die Klemmmechanik wird eine hohe Klemmkraft aufgebaut, wobei zwei Aufhängeösen den Einsatz für vertikale und horizontale Zugrichtungen ermöglichen. Varianten unterscheiden sich in Tragfähigkeit und Greifbereich (z. B. 3–28 mm bis 9–53 mm), sodass die Klemme passend zur Materialstärke ausgewählt werden kann.
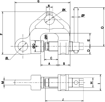
Die Schraubklemme WF von REMA ist eine kompakte, besonders leichte Spindelklemme zum sicheren Anschlagen, Heben und Positionieren von Stahl-Bauteilen wie H-Trägern, I-Trägern, Stahlblechen, Kanälen und Winkeleisen. Durch die beidseitige Klemmung mit doppelter runder Nocken-/Zahnkreisverriegelung wird eine hohe Klemmkraft aufgebaut; die Klemme ist für vertikale und horizontale Zugbewegungen ausgelegt und bietet einen Sicherheitsfaktor 8. Das Feingewinde der Stellschraube unterstützt eine vibrationsfeste Klemmung und eine feinfühlige Einstellung an der Materialstärke.
Die Baureihe deckt Tragfähigkeiten von 0.5 t bis 5.0 t ab. Die Varianten unterscheiden sich hauptsächlich in Tragfähigkeit (WLL) sowie Greifbereich (min./max. Materialstärke), sodass die Klemme passend zur Bauteildicke ausgewählt werden kann.
| Variante | Tragfähigkeit (WLL) | Greifbereich (min.–max.) | Kategorie | Artikel-Nr. |
|---|---|---|---|---|
| WF 0.5 | 500 kg | 3–28 mm | Spindelklemme | RE3316001 |
| WF 1.0 | 1000 kg | 3–40 mm | Spindelklemme | RE3316003 |
| WF 2.0 | 2000 kg | 3–45 mm | Spindelklemme | RE3316005 |
| WF 3.0 | 3000 kg | 6–49 mm | Spindelklemme | RE3316007 |
| WF 5.0 | 5000 kg | 9–53 mm | Spindelklemme | RE3316009 |
Gehäuse, Hebel und Schraube bestehen aus speziell legiertem Stahl, der für hohe Festigkeit ausgelegt ist. Der Hauptkörper ist mit einem eingebrannten Finish (Schutzbeschichtung) versehen; Schraube und Sperrelement sind rostschutzbehandelt, um die Funktion auch bei raueren Umgebungsbedingungen zu unterstützen. Die doppelte runde Verriegelung sorgt dafür, dass beide Nocken/Anlageflächen stabil anliegen und ein rutschfreier Halt gefördert wird.
Die Klemme wird über die Stellschraube geöffnet, am Bauteil positioniert und anschließend mit dem Feingewinde festgeklemmt, bis ein sicherer Sitz erreicht ist. Zwei Aufhängeösen ermöglichen das Anschlagen für vertikale oder horizontale Zugrichtung, wodurch die Klemme flexibel als Anschlagpunkt oder zum Heben eingesetzt werden kann. Für zuverlässige Klemmung muss die Klemme auf einer tragfähigen, geeigneten Stelle anliegen und die Last ohne Schläge oder ruckartige Bewegungen aufgenommen werden.
Der Lieferumfang umfasst die Schraubklemme WF komplett montiert (inkl. Stellschraube, Klemmmechanik und Aufhängeösen). Weiteres Zubehör wie Anschlagmittel oder Hebezeuge ist abhängig von der Anwendung separat auszuwählen.
Verwenden Sie die WF nur innerhalb der angegebenen Tragfähigkeit und des zulässigen Greifbereichs und prüfen Sie vor jedem Hub den festen Sitz der Klemme. Achten Sie darauf, dass die Last ruhig aufgenommen wird, der Anschlagpunkt frei beweglich ist und keine Quetschstellen entstehen; der Aufenthalt unter schwebender Last ist zu vermeiden. Bei der Auswahl, Prüfung und dem Betrieb von losen Lastaufnahmemitteln sind die betrieblichen Vorgaben sowie einschlägige Regelwerke (z. B. EN 13155) zu berücksichtigen.
Als temporärer Anschlagpunkt wird die WF häufig mit Handkettenzügen oder Elektrokettenzügen kombiniert, um Lasten kontrolliert zu heben oder zu positionieren. Für Aufgaben, bei denen ein fester Anschlagpunkt an Trägern benötigt wird, können alternativ REMA Spindel-Trägerklemmen sinnvoll sein, während für allgemeine Hebevorgänge passende Anschlagmittel (z. B. Kettengehänge, Schäkel) in korrekter Tragfähigkeitsklasse erforderlich sind.
Typenseite: REMA Schraubklemme WF
https://www.tomanro.de/300-REMA_Schraubklemme_WF-Typen
Typenseite: REMA Spindelklemmen CSH
https://www.tomanro.de/3350-REMA_Spindelklemmen_CSH-Typen
Typenseite: REMA Spindel-Trägerklemme KSBO
https://www.tomanro.de/1918-REMA_Spindel_Traegerklemme_KSBO-Typen
Typenseite: REMA Spindel-Trägerklemme KSB
https://www.tomanro.de/1917-REMA_Spindel_Traegerklemme_KSB-Typen
Typenseite: REMA Handkettenzug C-21
https://www.tomanro.de/288-REMA_Handkettenzug_C_21-Typen
Typenseite: REMA Elektrokettenzug SR
https://www.tomanro.de/4632-REMA_Elektrokettenzug_SR-Typen
Kategorie: Blechgreifer / Hebeklemmen
https://www.tomanro.de/6-Blechgreifer-Gruppe
