
Der Tigrip Schongreifer TSB von Yale / CMCO ist ein mechanischer Plattengreifer mit Kette zum schonenden Transport empfindlicher Plattenoberflächen. Seine planparallel anliegenden Backen mit hochgriffigem Schutzbelag sorgen für sicheren Halt ohne Druckstellen. Mit Tragfähigkeiten von 750 kg bis 1250 kg eignet er sich ideal für Spanplatten, Stahlplatten und ähnliche Materialien.
Der Tigrip Schongreifer TSB von Yale / CMCO ist ein mechanischer Plattengreifer mit Kette zum schonenden Transport empfindlicher Plattenoberflächen. Seine planparallel anliegenden Backen mit hochgriffigem Schutzbelag sorgen für sicheren Halt ohne Druckstellen. Mit Tragfähigkeiten von 750 kg bis 1250 kg eignet er sich ideal für Spanplatten, Stahlplatten und ähnliche Materialien.
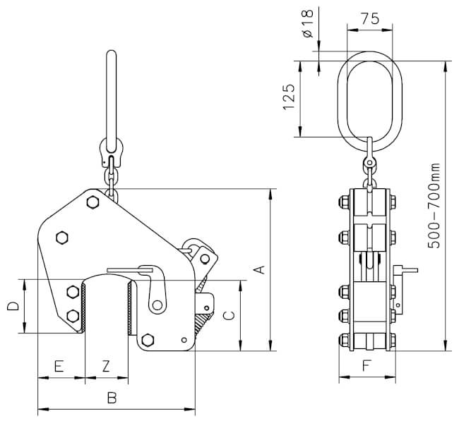
Der Tigrip Schongreifer mit Kette TSB von Yale / CMCO ist ein mechanischer Schongreifer mit Aufhängekette für den schonenden Transport von Plattenmaterial mit empfindlicher Oberfläche. Die planparallel anliegenden Backen verteilen den Anpressdruck auf eine relativ große Fläche und vermeiden so Eindrücke oder Beschädigungen.
Der Greifer deckt einen Tragfähigkeitsbereich von 750 – 1250 kg ab und ist damit ideal für Spanplatten, Stahlplatten und vergleichbare Plattenwerkstoffe, die mit dem Kranhaken sicher gehoben und umgesetzt werden sollen.
Der Schongreifer TSB wird über den Aufhängering der Kette am Kranhaken oder Hebezeug angeschlagen. Beim Ansetzen an der Plattenkante erzeugt der Greifer über seinen Mechanismus eine automatische Klemmkraft, die über die beschichteten Backen auf die Last übertragen wird.
Die Oberfläche der zu transportierenden Platten muss trocken, sauber, fett- und ölfrei sein, um den hohen Reibwert des Belags voll auszunutzen und eine sichere Klemmung zu gewährleisten.
Als aus dem Allzweckgreifer weiterentwickelter Typ bietet der Tigrip TSB Schongreifer mit Kette einen großen Greifbereich und eine besonders materialschonende Klemmung.
Für den sicheren Betrieb des Schongreifers TSB sind die Hersteller-Betriebsanleitungen sowie die allgemeinen Regeln für Lastaufnahmemittel zu beachten.
| Modell | Tragfähigkeit | Greifbereich Z | Mindestlast | Eigengewicht | Typische Anwendung |
|---|---|---|---|---|---|
| TSB 0.75/65 | 750 kg (0.75 t) | 0 – 65 mm | 75 kg (10 % der WLL) | 11.8 kg | Schonender Transport von Span- und Stahlplatten mittlerer Größe mit empfindlicher Oberfläche |
| TSB 1.25/65 | 1250 kg (1.25 t) | 0 – 65 mm | 125 kg (10 % der WLL) | 16.7 kg | Transport schwererer oder größerformatiger Platten und Tafeln mit hohem Oberflächenschutzbedarf |
