
Die Haacon Elektroseilwinde ESG ist eine robuste, modular aufgebaute Trommelwinde für industrielle Zug- und – mit passender Ausstattung – Hubanwendungen mit großen Seillängen.
Die Haacon Elektroseilwinde ESG ist eine robuste, modular aufgebaute Trommelwinde für industrielle Zug- und – mit passender Ausstattung – Hubanwendungen mit großen Seillängen.
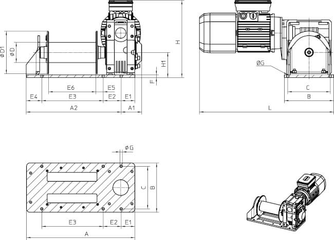
Die Elektroseilwinde ESG von Haacon ist eine robuste Trommelwinde im Baukastensystem, die sich über Zubehör und Steuerungsvarianten an Zug- und Hubaufgaben anpassen lässt.
Ausgelegt für große Seillängen und den industriellen Einsatz deckt die Baureihe je nach Ausführung Zuglasten im Bereich von 150 bis 2100 kg ab und ist mit 400 V oder 230 V erhältlich.
Typische Anwendungen sind das Ziehen und Bewegen von Lasten (z. B. auf nahezu waagerechter Strecke) sowie – mit passender Ausstattung – der Hebezeugbetrieb für Materialtransporte.
Je nach Einsatzfall stehen unterschiedliche Trommelausführungen zur Verfügung, z. B. glatte oder gerillte Seiltrommel sowie geteilte Trommel (zwei Seilabgänge) für spezielle Anwendungen.
Die ESG kann – abhängig von Ausstattung und Anwendung – als Zugwinde oder im Hebezeugbetrieb eingesetzt werden. Beim Heben sind i. d. R. zusätzliche Sicherheitsfunktionen (z. B. Endabschaltung, Überlastschutz) erforderlich.
Für den sicheren Betrieb sind geeignete Drahtseile einzusetzen, und Schlaffseil ist zu vermeiden, da es zu unkontrollierter Wicklung und Seilschäden führen kann.
Die angegebenen Werte zeigen die baureihenbezogenen Kenndaten. Bei mehrlagiger Wicklung gilt: Mit zunehmender Seillage sinkt die Seilzugkraft und die Seilgeschwindigkeit steigt.
| Typ | W.L.L. 1. Lage (kg) | Nutzbare Seillänge 1. Lage (m) | Seilgeschwindigkeit 1. Lage (m/min) | W.L.L. oberste Lage (kg) | Nutzbare Seillänge oberste Lage (m) | Seilgeschwindigkeit oberste Lage (m/min) | max. mögliche Seilkapazität (m) | Motorleistung (kW) | Nennstrom (A) | Gewicht ohne Seil (kg) |
|---|---|---|---|---|---|---|---|---|---|---|
| ESG 150 | 150 | 10 | 7.2 | 125 | 34 | 8.6 | 79 | 0.37 | 1.05 | 29 |
| ESG 250 | 250 | 8 | 7.2 | 200 | 28 | 9.1 | 53 | 0.55 | 1.43 | 32.5 |
| ESG 500 | 500 | 10.5 | 7.5 | 400 | 35 | 9.4 | 82 | 1.1 | 2.7 | 52.5 |
| ESG 750 | 750 | 12.5 | 5.1 | 590 | 43 | 6.5 | 126 | 1.5 | 3.6 | 90 |
| ESG 990/1000 | 990/1000 | 12 | 4.2 | 775 | 43 | 5.3 | 126 | 1.5 | 3.6 | 98 |
| ESG 1500 | 1500 | 14 | 5 | 1200 | 45 | 5.9 | 45 | 1.5 | 3.6 | 193 |
| ESG 2100 | 2100 | 14 | 5 | 1650 | 45 | 6.1 | 45 | 2.2 | 5.2 | 198 |
| Typ | W.L.L. 1. Lage (kg) | Nutzbare Seillänge 1. Lage (m) | Seilgeschwindigkeit 1. Lage (m/min) | W.L.L. oberste Lage (kg) | Nutzbare Seillänge oberste Lage (m) | Seilgeschwindigkeit oberste Lage (m/min) | max. mögliche Seilkapazität (m) | Motorleistung (kW) | Nennstrom (A) | Gewicht ohne Seil (kg) |
|---|---|---|---|---|---|---|---|---|---|---|
| ESG 200 | 200 | 10 | 7.2 | 165 | 34 | 8.6 | 79 | 0.55 | 4.5 | 34 |
| ESG 400 | 400 | 10.5 | 7.5 | 320 | 35 | 9.4 | 82 | 1.1 | 7.5 | 58 |
| ESG 650 | 650 | 14 | 4.2 | 520 | 48 | 5.3 | 138 | 1.1 | 7.5 | 100 |
| ESG 1100 | 1100 | 17 | 5 | 910 | 56 | 5.9 | 76 | 1.1 | 7.5 | 195 |
| Typ | Seildurchmesser (nicht drehungsfrei) (mm) | FEM-Gruppe (nicht drehungsfrei) | Seildurchmesser (drehungsarm) (mm) | FEM-Gruppe (drehungsarm) |
|---|---|---|---|---|
| ESG 150 | 4 (1) | 2m | 4 (1) | 1Am |
| ESG 250 | 5 (1) | 1Am | 5 (1) | 1Bm |
| ESG 500 | 6 (1) | 1Bm | 6 (2) | 1Bm |
| ESG 750 | 8 (1) | 1Bm | 8 (2) | 1Bm |
| ESG 990/1000 | 8 (2) | 1Bm | 8 (2) | 1Cm |
| ESG 1500 | 11 (1) | 1Am | 11 (1) | 1Bm |
| ESG 2100 | 11 (2) | 1Cm | 11 (3) | 1Cm |
| ESG 200 | 4 (1) | 1Am | 4 (1) | 1Bm |
| ESG 400 | 6 (1) | 1Am | 6 (2) | 1Bm |
| ESG 650 | 7 (1) | 1Am | 7 (2) | 1Bm |
| ESG 1100 | 9 (2) | 1Am | 9 (2) | 1Bm |
(1) Mindest-Drahtfestigkeit 1570 N/mm2 |
(2) Mindest-Drahtfestigkeit 1770 N/mm2 |
(3) Mindest-Drahtfestigkeit 1960 N/mm2
Triebwerksgruppe nach DIN 15020 bzw. FEM 9.511.
Das Drahtseil ist nicht im Lieferumfang enthalten und ist separat passend zur Ausführung auszuwählen.
Alle ESG-Ausführungen auf TOMANRO im Überblick.
Zur TOMANRO-TypenseiteBeispielseite mit Ausstattungs- und Zubehörhinweisen.
Zur TOMANRO-ProduktseiteTechnische Daten und Baureihenübersicht als PDF.
PDF öffnenHinweise zu Betrieb, Wartung und Sicherheit.
PDF öffnenKomponenten zur Überwachung und Abschaltung.
Zur TOMANRO-GruppeRobuste Umlenkrolle für horizontale Zugarbeiten.
Zur TOMANRO-Typenseite
