
Das Tractel blocstop™ BS ist eine passive Abfangsicherung für Stahlseile, die als redundante Sicherung in Hub- und Zuganwendungen eingesetzt wird. Im Störfall blockiert das selbstklemmende Backensystem das Seil in Gegenrichtung, wobei die wirksame Klemmkraft mit der Last zunimmt und so die Haltewirkung unterstützt.
Das Tractel blocstop™ BS ist eine passive Abfangsicherung für Stahlseile, die als redundante Sicherung in Hub- und Zuganwendungen eingesetzt wird. Im Störfall blockiert das selbstklemmende Backensystem das Seil in Gegenrichtung, wobei die wirksame Klemmkraft mit der Last zunimmt und so die Haltewirkung unterstützt.
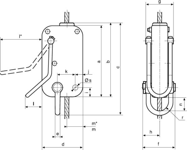
Das blocstop™ BS ist eine Abfangsicherung, die auf einem Stahlseil installiert wird und eine Last bzw. eine aufgehängte Arbeitsbühne im Störfall zuverlässig blockiert, z. B. bei Windenversagen oder Seilbruch. Es kann dabei entweder auf einem separaten Sicherungsseil oder – je nach Einbausituation – direkt auf dem Hub-/Zugseil montiert werden.
Das Gerät arbeitet als passive Sicherheitseinrichtung ohne eigene Antriebs- oder Energieversorgung: Ein selbstklemmendes Backensystem in einem Gehäuse aus verzinktem Stahl lässt das Seil in definierter Richtung passieren und klemmt in Gegenrichtung sofort.
Die Auswahl erfolgt über Tragfähigkeit und den passenden Seil-Ø (modellabhängig).
Im Normalbetrieb bewegt sich das Seil durch das Gerät in der vorgesehenen Zugrichtung: Die Backen öffnen automatisch und das Seil kann gleiten. Dreht sich die Bewegungsrichtung um (z. B. durch Lastabsturz), schließen die Backen sofort und klemmen das Seil.
Das Backensystem ist selbstverstärkend: Mit zunehmender Last steigt die auf das Seil wirkende Klemmkraft der Backen – die Backen pressen das Seil stärker an, wodurch die Reibung und damit die Haltewirkung zunimmt. Praktisch bedeutet das: Je höher die wirkende Last, desto höher der Anpressdruck im Klemmsystem und desto stabiler das Abfangen (Prinzip analog zum TIRFOR®-Klemmmechanismus).
Für ein kontrolliertes Absenken kann das Gerät über den Freischaltbügel entriegelt werden. Diese Entriegelung ist nur zulässig, wenn das Gerät nicht unter Last steht; eine Rückstellfeder hält den Bügel in Ausgangsposition.
Die Varianten unterscheiden sich primär in Tragfähigkeit, passendem Seil-Ø und Gewicht. Wählen Sie das Modell so, dass Tragfähigkeit und Seildurchmesser zur Anwendung und zur eingesetzten Seilanlage passen.
| Typ | Artikel-Nr. | Tragfähigkeit | Auslösung durch | Seil-Ø | Gewicht |
|---|---|---|---|---|---|
| BS 15.301 | 3219 | 600 / 800 kg | Handbetätigung | 8.3 mm | 4 kg |
| BS 20.300 | 15929 | 600 / 800 kg | Handbetätigung | 8.3 mm | 6 kg |
| BS 20.303 | 3239 | 800 / 1000 kg | Handbetätigung | 9.5 mm | 4 kg |
| BS 20.304 | 6029 | 1000 / 1600 kg | Handbetätigung | 10.2 mm | 6 kg |
| BS 20.301 | 3129 | 1200 / 1600 kg | Handbetätigung | 11.5 mm | 6 kg |
| BS 35.304 | 35319 | 2000 / 3000 kg | Handbetätigung | 14.3 mm | 10.6 kg |
| BS 35.300 | 3149 | 2400 / 3000 kg | Handbetätigung | 16.3 mm | 10.6 kg |
Alle Modelle und Varianten auf einen Blick.
https://www.tomanro.de/2243-Tractel_blocstop_BS-TypenBedienung, Sicherheitshinweise und Funktionsprinzip.
https://www.tomanro.de/pdf/BA-BS_BSA_en_de_fr.pdfAlternative Ausführung für materialbezogene Sicherung.
https://www.tomanro.de/2242-Tractel_blocstop_BSO___Material-TypenPassende Seile für definierte Anwendungen.
https://www.tomanro.de/399-Tractel_tirak_Seil_fuer_gefuehrte_Lasten-TypenHandseilwinden für Zug- und Sicherungsanwendungen.
https://www.tomanro.de/105-Tractel_Greifzug_TU-Typen
