
Der JDT Anschlagpunkt TAPG-S ist ein klappbarer Anschlagpunkt zum Anschrauben mit 120° Arbeitsbereich für definierte Hebepunkte an Maschinen und Stahlkonstruktionen.
Der JDT Anschlagpunkt TAPG-S ist ein klappbarer Anschlagpunkt zum Anschrauben mit 120° Arbeitsbereich für definierte Hebepunkte an Maschinen und Stahlkonstruktionen.
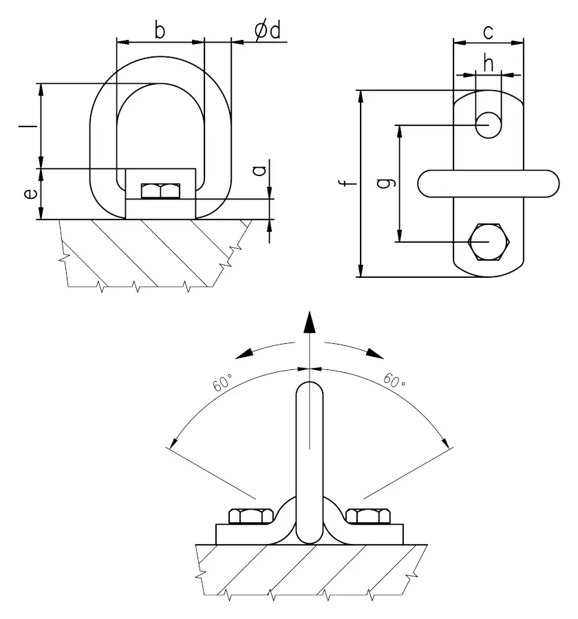
Der JDT Anschlagpunkt TAPG-S ist ein kompakter, klappbarer Anschlagpunkt zum Anschrauben für den sicheren Lastanschlag an Maschinen, Vorrichtungen und Stahlkonstruktionen. Der Lastbügel ist für einen Arbeitsbereich von 120° ausgelegt und muss im Einsatz frei beweglich bleiben (keine Abstützung an Kanten oder am Anschlagpunkt).
Die Baureihe deckt Tragfähigkeiten von 3150 kg bis 8000 kg (bei 90°) ab und wird inklusive rissgeprüfter Schraube(n) geliefert. Das Anschraubblech kann zusätzlich als Anreißschablone zur Positionierung genutzt werden.
Verfügbar in den Ausführungen TAPG-S 3, TAPG-S 5 und TAPG-S 8. Die Varianten unterscheiden sich durch Tragfähigkeit, Gewinde, Gewindelänge, Anziehdrehmoment und Gewicht.
| Ausführung | Max. Belastung bei 90° | Gewinde | Gewindelänge | Güteklasse | Anziehdrehmoment | Gewicht | Artikel-Nr. |
|---|---|---|---|---|---|---|---|
| TAPG-S 3 | 3150 kg | M20 | 45 mm | 8 | 210 Nm | ca. 1.43 kg | JDT0380503300VE |
| TAPG-S 5 | 5300 kg | M24 | 55 mm | 8 | 290 Nm | ca. 2.58 kg | JDT0380505300VE |
| TAPG-S 8 | 8000 kg | M27 | 65 mm | 8 | 550 Nm | ca. 3.58 kg | JDT0380508300VE |
| Typ | Stück | 0° | 0° (2-strängig) | 0°–45° | 45°–60° | 0°–45° (3/4-strängig) | 45°–60° (3/4-strängig) |
|---|---|---|---|---|---|---|---|
| TAPG-S / TAPG 3 | 1 / 2 / 2 / 3 oder 4 | 3.15 t | 4.75 t | 9.5 t | 4.25 t | 3.15 t | 6.3 t |
| TAPG-S / TAPG 5 | 1 / 2 / 2 / 3 oder 4 | 5.3 t | 8.0 t | 16.0 t | 7.1 t | 5.3 t | 11.2 t |
| TAPG-S / TAPG 8 | 1 / 2 / 2 / 3 oder 4 | 8.0 t | 12.0 t | 24.0 t | 11.2 t | 8.0 t | 16.0 t |
Hinweis: Bei unsymmetrischer Lastverteilung sind die Tragfähigkeiten um 50% zu reduzieren.
Kurz: Montage, Prüfung, Einsatzregeln.
Kurz: Lösung für Kanten-/Schweißkonstruktionen.
