
Das REMA Haspelfahrwerk 212 ist ein handkettenbetriebenes Fahrwerk zum kontrollierten Verfahren von Hebezeugen auf Stahlträgern mit geradem oder geneigtem Flansch. Die einstellbare Flanschbreite und die Verfügbarkeit als Standard- oder Breitflansch-Ausführung (212BF) ermöglichen eine passgenaue Anpassung an unterschiedliche Trägerprofile. Die robuste Konstruktion mit Stahlrädern, Kugellagern und Radbruch- und Kippsicherung ist für den dauerhaften Industrieeinsatz ausgelegt.
Das REMA Haspelfahrwerk 212 ist ein handkettenbetriebenes Fahrwerk zum kontrollierten Verfahren von Hebezeugen auf Stahlträgern mit geradem oder geneigtem Flansch. Die einstellbare Flanschbreite und die Verfügbarkeit als Standard- oder Breitflansch-Ausführung (212BF) ermöglichen eine passgenaue Anpassung an unterschiedliche Trägerprofile. Die robuste Konstruktion mit Stahlrädern, Kugellagern und Radbruch- und Kippsicherung ist für den dauerhaften Industrieeinsatz ausgelegt.
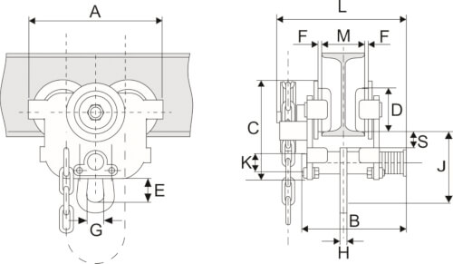
Das REMA Haspelfahrwerk 212 ist ein handkettenbetriebenes Fahrwerk zum kontrollierten Verfahren von Hebezeugen auf Trägerprofilen mit geradem oder geneigtem Flansch. Die Flanschbreite wird über Einstellringe angepasst, während wartungsfreie Kugellager, Stahlräder sowie Radbruch- und Kippsicherung für robusten Industrieeinsatz sorgen.
Das Haspelfahrwerk wird eingesetzt, wenn Lasten entlang eines Trägers präzise und kraftsparend verfahren werden sollen – ohne elektrischen Fahrantrieb. Typische Anwendungen sind:
Besonders vorteilhaft ist der Kettenantrieb bei höheren Lasten, da das Verfahren nicht über „Schieben“, sondern kontrolliert über die Übersetzung der Handkette erfolgt.
REMA bietet das Fahrwerk als Standard (212) und als Breitflansch-Ausführung (212BF) an. Technisch ist das Grundprinzip identisch; die Varianten unterscheiden sich vor allem im Flanschbreitenbereich (schmal vs. breit) und damit in der passenden Trägergeometrie.
Die Auswahl erfolgt über Tragfähigkeit, Flanschbreite und – falls relevant – min. Kurvenradius. Die nachfolgende Tabelle zeigt typische Standard- und Breitflansch-Modelle.
| Modell | Tragfähigkeit | Flanschbreite | min. Kurvenradius | Gewicht | Handkette |
|---|---|---|---|---|---|
| 212-0.5 | 500 kg | 50–135 mm | 800 mm | 8.0 kg | 5 x 23.7 mm |
| 212-1.0 | 1000 kg | 55–140 mm | 1000 mm | 12.4 kg | 5 x 23.7 mm |
| 212-2.0 | 2000 kg | 65–155 mm | 1100 mm | 18.1 kg | 5 x 23.7 mm |
| 212-3.0 | 3000 kg | 90–160 mm | 1300 mm | 30.3 kg | 5 x 23.7 mm |
| 212-5.0 | 5000 kg | 90–180 mm | 1500 mm | 46.5 kg | 5 x 23.7 mm |
| 212BF-1.0 | 1000 kg | 215–300 mm | 1000 mm | 12.4 kg | 5 x 23.7 mm |
| 212BF-5.0 | 5000 kg | 230–300 mm | 1500 mm | 46.5 kg | 5 x 23.7 mm |
Hinweis: REMA führt für jede Traglast mehrere 212BF-Flanschbereiche (z. B. 140–215 mm und 215–300 mm). Für exakte Auswahl bitte die vollständige Typentabelle verwenden.
Das REMA Haspelfahrwerk 212 ist CE-gekennzeichnet und wird mit Bezug auf EN 12100, EN 13157 und EN 818-7 geführt. Die EN 13157 beschreibt Sicherheitsanforderungen für handbetriebene Krane und umfasst explizit handbetriebene Fahrwerke als austauschbare Ausrüstung.
Das Haspelfahrwerk 212 wird typischerweise mit einem passenden Handhebezeug kombiniert oder als Systemlösung eingesetzt. Besonders praxisnah sind:
Typenseite – REMA Haspelfahrwerk 212:
https://www.tomanro.de/1936-REMA_Haspelfahrwerk_212-Typen
Katalogseite (PDF) – REMA Haspelfahrwerk 212/212BF:
https://www.tomanro.de/pdf/Katalog_43.pdf
Passendes Hebezeug – REMA Stirnradflaschenzug Select 200:
https://www.tomanro.de/1940-REMA_Stirnradflaschenzug_Select_200-Typen
Systemlösung – REMA Flaschenzug mit Fahrwerk S20:
https://www.tomanro.de/1986-REMA_Flaschenzug_mit_Fahrwerk_S20-Typen
Fahrwegbegrenzung – REMA Einstellbarer Katzpuffer KB1:
https://www.tomanro.de/3456-REMA_Einstellbarer_Katzpuffer_KB1-Typen
