tomanro.de

Das modulare Baukastensystem von HADEF bietet eine umfangreiche Auswahl von Optionen für eine Vielzahl von Anwendungsbereichen. Mit der Elektroseilwinde 45/10 E wurde eine klassische Montagewinde nach dem neuesten Stand der Technik entwickelt. Sie bietet ein optimales Preis/Leistungsverhältnis und ist flexibel ausbaubar.
Das modulare Baukastensystem von HADEF bietet eine umfangreiche Auswahl von Optionen für eine Vielzahl von Anwendungsbereichen. Mit der Elektroseilwinde 45/10 E wurde eine klassische Montagewinde nach dem neuesten Stand der Technik entwickelt. Sie bietet ein optimales Preis/Leistungsverhältnis und ist flexibel ausbaubar.
Die Elektroseilwinde 45/10 E wird standardmäßig als Zugwinde herstellt. Soll die Elektroseilwinde als Hubwinde eingesetzt werden, ist eine Modifikation mit Seilhubbegrenzern und Schützsteuerung erforderlich. Eine Vorrichtung zur Abschaltung der Hubbewegung in den Endlagen ist für elektrisch betriebene Hebezeuge vorgeschrieben.
Die Elektroseilwinde Figur 45/10 E ist eine klassische Montagewinde auf dem neuesten Stand der Technik. Sie wird in Modulbauweise gefertigt, wodurch sie extrem wartungsfreundlich ist. . Ihre robuste Bauweise entspricht der Philosophie von Hadef deren Produkte für Langlebigkeit und Zuverlässigkeit stehen. Nach höchsten Qualitätsstandards werden die Bauteile bei Hadef in modernsten Schweißanlagen, CNC-Werkzeugmaschinen und Semi-Robot Anlagen mit hoher Präzision gefertigt. Die robuste Konstruktion bietet eine große Seilaufnahmen und schafft eine solide Basis für eine Vielzahl von Einsatzmöglichkeiten.
Für den individuellen Einsatzfall ist die Winde mit einer umfangreichen Auswahl an Zubehör aufrüstbar. Serienmäßig wird ein platzsparendes außenliegendes Planetengetriebe verbaut, das die Leistung des Drehstrommotors linear und mit hohem Wirkungsgrad auf die Seiltrommel überträgt. Die Elektroseilwinde Figur 45/10 E wird nach der Triebwerksgruppe 1Bm ausgelegt. Durch die Wahl anderer Antriebskomponenten lässt sie sich aber auch mit einer Triebwerkgruppe von 4m ausstatten. Die Modulbauweise ermöglicht ein müheloses adaptieren anderer Getriebe oder Antriebe wodurch längere Betriebszeiten realisierbar werden und die Winde zu einem wahren Kraftprotz ausgebaut werden kann.
Für Hubzwecke ist ein Getriebeendschalter und eine damit erforderliche Schützsteuerung zu ergänzen. Die Trommel bzw. Seilführung kann durch Rillung, Trennsteg, Schlaffseilschalter und Andruckrolle speziell angepasst werden. Pneumatische, hydraulische oder explosionsgeschützte Antriebe sind ebenfalls optional erhältlich. Zudem lässt sich die Winde aus der Ferne per Funk steuern. Das Zubehör ist sehr umfangreich.
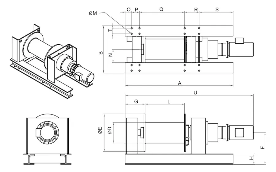
| Elektroseilwinde Figur 45/10 E | max. Seilzugkraft 1. Lage (kg) | A (mm) | B (mm) | D (mm) | E (mm) | F (mm) | G (mm) | H (mm) | L (mm) | M (mm) | N (mm) | O (mm) | P (mm) | Q (mm) | R (mm) | S (mm) | T (mm) | U (mm) |
|---|---|---|---|---|---|---|---|---|---|---|---|---|---|---|---|---|---|---|
| 2t 14 | 2000 | 1450 | 544 | 133 | 300 | 320 | 215 | 100 | 530 | 13 | 170 | 70 | 100 | 700 | 100 | 480 | 56 | 1530 |
| 2t 23 | 2000 | 1450 | 544 | 133 | 300 | 320 | 215 | 100 | 530 | 13 | 172 | 70 | 100 | 700 | 100 | 480 | 56 | 1630 |
| 2t 35 | 2000 | 1450 | 544 | 133 | 300 | 320 | 215 | 100 | 530 | 13 | 172 | 70 | 100 | 700 | 100 | 480 | 56 | 1770 |
| 3,2t 9 | 3200 | 1450 | 544 | 159 | 320 | 320 | 215 | 100 | 610 | 13 | 172 | 70 | 100 | 700 | 100 | 480 | 56 | 1650 |
| 3,2t 12,5 | 3200 | 1450 | 544 | 159 | 320 | 320 | 215 | 100 | 610 | 13 | 172 | 70 | 100 | 700 | 100 | 480 | 56 | 1750 |
| 3.2t 19 | 3200 | 1450 | 544 | 159 | 320 | 320 | 215 | 100 | 610 | 13 | 172 | 70 | 100 | 700 | 100 | 480 | 56 | 1940 |
| 4t 6 | 4000 | 1450 | 544 | 178 | 350 | 320 | 215 | 100 | 580 | 13 | 172 | 70 | 100 | 700 | 100 | 480 | 56 | 1620 |
| 4t 11 | 4000 | 1450 | 544 | 178 | 350 | 320 | 215 | 100 | 580 | 13 | 172 | 70 | 100 | 700 | 100 | 480 | 56 | 1720 |
| 4t 14 | 4000 | 1450 | 544 | 178 | 350 | 320 | 215 | 100 | 580 | 13 | 172 | 70 | 100 | 700 | 100 | 480 | 56 | 1910 |
| 5t 5 | 5000 | 1530 | 620 | 203 | 400 | 370 | 204 | 120 | 610 | 17 | 190 | 90 | 75 | 700 | 75 | 590 | 70 | 1720 |
| 5t 8 | 5000 | 1530 | 620 | 203 | 400 | 370 | 204 | 120 | 610 | 17 | 190 | 90 | 75 | 700 | 75 | 590 | 70 | 1880 |
| 5t 12 | 5000 | 1530 | 620 | 203 | 400 | 370 | 204 | 120 | 610 | 17 | 190 | 90 | 75 | 700 | 75 | 590 | 70 | 1960 |
| 6.3t 4 | 6300 | 1530 | 620 | 219 | 430 | 370 | 204 | 120 | 610 | 17 | 190 | 90 | 75 | 700 | 75 | 590 | 70 | 1790 |
| 6,3t 7 | 6300 | 1530 | 620 | 219 | 430 | 370 | 204 | 120 | 610 | 17 | 190 | 90 | 75 | 700 | 75 | 590 | 70 | 1880 |
| 6.3t 10 | 6300 | 1530 | 620 | 219 | 430 | 370 | 204 | 120 | 610 | 17 | 190 | 90 | 75 | 700 | 75 | 590 | 70 | 2020 |
| 8t 3.5 | 8000 | 1650 | 724 | 254 | 510 | 485 | 301 | 160 | 600 | 23 | 202 | 100 | 120 | 690 | 220 | 520 | 86 | 1900 |
| 8t 5.5 | 8000 | 1650 | 724 | 254 | 510 | 485 | 301 | 160 | 600 | 23 | 202 | 100 | 120 | 690 | 220 | 520 | 86 | 2000 |
| 8t 7.5 | 8000 | 1650 | 724 | 254 | 510 | 485 | 301 | 160 | 600 | 23 | 202 | 100 | 120 | 690 | 220 | 520 | 86 | 2140 |
| 10t 2.5 | 10000 | 1650 | 724 | 279 | 550 | 485 | 301 | 160 | 600 | 23 | 202 | 100 | 120 | 690 | 220 | 520 | 86 | 1900 |
| 10t 4 | 10000 | 1650 | 724 | 279 | 550 | 485 | 301 | 160 | 600 | 23 | 202 | 100 | 120 | 690 | 220 | 520 | 86 | 2000 |
| 10t 6 | 10000 | 1650 | 724 | 279 | 550 | 485 | 301 | 160 | 600 | 23 | 202 | 100 | 120 | 690 | 220 | 520 | 86 | 2190 |
| 12,5t 2,2 | 12500 | 1650 | 724 | 318 | 610 | 485 | 301 | 160 | 600 | 23 | 202 | 100 | 120 | 690 | 220 | 520 | 86 | 2040 |
| 12.5t 3.5 | 12500 | 1650 | 724 | 318 | 610 | 485 | 301 | 160 | 600 | 23 | 202 | 100 | 120 | 690 | 220 | 520 | 86 | 2130 |
| 12.5t 4.5 | 12500 | 1650 | 724 | 318 | 610 | 485 | 301 | 160 | 600 | 23 | 202 | 100 | 120 | 690 | 220 | 520 | 86 | 2320 |
| 16t 1.8 | 16000 | 1850 | 1000 | 356 | 685 | 595 | 378 | 220 | 600 | 25 | 280 | 150 | 200 | 700 | 200 | 600 | 120 | 2140 |
| 16t 2.5 | 16000 | 1850 | 1000 | 356 | 685 | 595 | 378 | 220 | 600 | 25 | 280 | 150 | 200 | 700 | 200 | 600 | 120 | 2240 |
| 16t 3.5 | 16000 | 1850 | 1000 | 356 | 685 | 595 | 378 | 220 | 600 | 25 | 280 | 150 | 200 | 700 | 200 | 600 | 120 | 2430 |
| 20t 2.1 | 20000 | 1850 | 1000 | 394 | 760 | 595 | 378 | 220 | 600 | 25 | 280 | 150 | 200 | 700 | 200 | 600 | 120 | 2310 |
| 20t 3 | 20000 | 1850 | 1000 | 394 | 760 | 595 | 378 | 220 | 600 | 25 | 280 | 150 | 200 | 700 | 200 | 600 | 120 | 2500 |




tomanro.de