
Die NIRO-Laufrollen Nr. 1398 sind speziell für den Einsatz in feuchten, hygienischen oder korrosiven Umgebungen ausgelegt. Sie sind gedreht und verfügen über eine kantige Nute, die einen sicheren und präzisen Lauf in der Führungsschiene gewährleistet. Die integrierten Edelstahlkugellager sorgen für einen ruhigen, wartungsarmen Betrieb, während die Edelstahlachse mit zwei Muttern eine stabile und rostfreie Befestigung ermöglicht. Perfekt abgestimmt auf die Schiebetorrollen Nr. 1390.
Die NIRO-Laufrollen Nr. 1398 sind speziell für den Einsatz in feuchten, hygienischen oder korrosiven Umgebungen ausgelegt. Sie sind gedreht und verfügen über eine kantige Nute, die einen sicheren und präzisen Lauf in der Führungsschiene gewährleistet. Die integrierten Edelstahlkugellager sorgen für einen ruhigen, wartungsarmen Betrieb, während die Edelstahlachse mit zwei Muttern eine stabile und rostfreie Befestigung ermöglicht. Perfekt abgestimmt auf die Schiebetorrollen Nr. 1390.
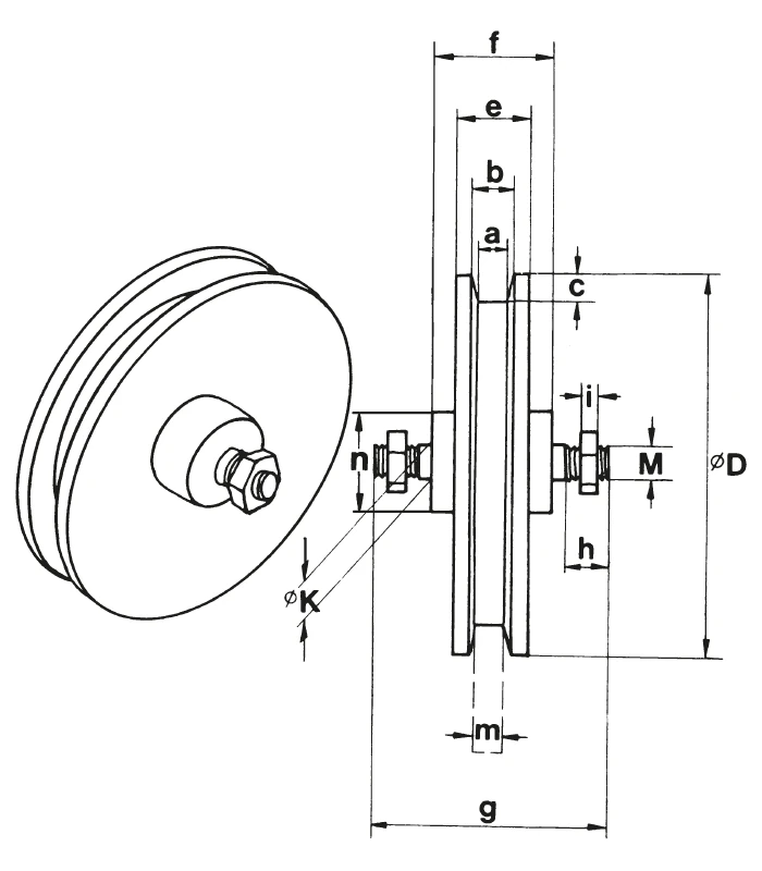
Die Niro-Führungsrollen 1398 sind gedrehte Edelstahl-Laufrollen mit kantiger Nute, integrierten Edelstahlkugellagern und einer Edelstahlachse mit zwei Muttern für eine korrosionsbeständige und stabile Befestigung. Sie sind speziell für Schiebetore und Führungen in feuchten, hygienischen oder korrosiven Umgebungen ausgelegt und gewährleisten einen ruhigen, wartungsarmen Lauf in der Führungsschiene. Die Baureihe umfasst die Nenngrößen NG 75 und NG 90 mit Rollenaußen-Ø 75 mm bzw. 90 mm, einer Rillenbreite 9 mm für Laufschienen aus Flachstahl 8 mm sowie Tragfähigkeiten bis 375 kg pro Rolle.
| Merkmal | Wert / Beschreibung |
|---|---|
| Typ | Niro-Führungsrollen 1398 / NIRO-Laufrollen mit Edelstahlkugellagern |
| Anlagentyp | Schiebetor, Führung in Laufschienen aus Flachstahl 8 mm |
| Werkstoff Rolle / Achse | Edelstahl (NIRO), gedreht, mit Edelstahlachse und zwei Muttern |
| Lagerung | Integrierte Edelstahlkugellager, fettgeschmiert |
| Nutenform | Kantige Nute für formschlüssige Führung |
| Rillenbreite | 9 mm (für Laufschienen aus Flachstahl 8 mm) |
| Rollenaußen-Ø | 75 mm (NG 75), 90 mm (NG 90) |
| Tragfähigkeit | 250 kg (NG 75), 375 kg (NG 90) |
| Gewindestärke Achse | M10 (NG 75), M12 (NG 90) |
| Gewicht | Ca. 0.20 kg (NG 75), ca. 0.37 kg (NG 90) |
| Nenngröße | Rollenaußen-Ø D |
k | a | b | c | e | f | g | h | i | m | n | Gewindestärke | Tragfähigkeit |
|---|---|---|---|---|---|---|---|---|---|---|---|---|---|---|
| NG 75 | 75 mm | 10 mm | 9 mm | 11 mm | 8 mm | 19 mm | 28 mm | 60 mm | 10 mm | 6 mm | 8 mm | 32 mm | M10 | 250 kg |
| NG 90 | 90 mm | 12 mm | 9 mm | 11 mm | 8 mm | 20 mm | 32 mm | 70 mm | 10 mm | 6 mm | 8 mm | 40 mm | M12 | 375 kg |
Maßbuchstaben D, k, a, b, c, e, f, g, h, i, m, n gemäß Katalogzeichnung Niro-Führungsrollen 1398; alle Maße in mm, Tragfähigkeit in kg.
