
Der SFA UG Anschlagwirbel AW-LBO ist ein Anschlagpunkt mit 360° drehbarem Anschlagring und 90° schwenkbarer Funktion zur flexiblen Ausrichtung in der Zugrichtung. Je nach Ausführung ist die max. Belastung bei 90° bis 20000 kg angegeben und es gelten definierte Einsatz- und Prüfregeln (u. a. regelmäßige Kontrolle auf Risse, Verformung, Korrosion sowie Tragfähigkeitsreduktion bei Temperatur).
Der SFA UG Anschlagwirbel AW-LBO ist ein Anschlagpunkt mit 360° drehbarem Anschlagring und 90° schwenkbarer Funktion zur flexiblen Ausrichtung in der Zugrichtung. Je nach Ausführung ist die max. Belastung bei 90° bis 20000 kg angegeben und es gelten definierte Einsatz- und Prüfregeln (u. a. regelmäßige Kontrolle auf Risse, Verformung, Korrosion sowie Tragfähigkeitsreduktion bei Temperatur).
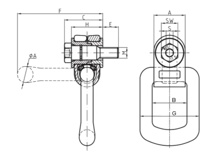
Der Anschlagwirbel AW-LBO von SFA UG ist ein robuster Anschlagpunkt für vielseitige Hebe- und Transportaufgaben. Der Anschlagring ist um 360° drehbar und zusätzlich um 90° schwenkbar, wodurch sich der Anschlagpunkt bei typischen Anschlagsituationen flexibel in die Zugrichtung ausrichten lässt.
Der Anschweißklotz besteht aus ST52.3 (1.0570) und ist für eine stabile, langlebige Verbindung an Trägerteilen oder Hebekonstruktionen ausgelegt.
Arbeitsbereich: 360° drehbar um den Bolzen und 90° schwenkbar für eine praxisgerechte Ausrichtung beim Heben.
Der AW-LBO eignet sich als Anschlagpunkt überall dort, wo Lasten mit variierender Zugrichtung angeschlagen werden müssen und eine dreh-/schwenkbare Aufhängung Vorteile bietet.
Die Varianten unterscheiden sich über Gewinde, Gewindelänge und die zulässige max. Belastung bei 90°. Zusätzlich sind Ausführungen mit Mutter und Scheibe verfügbar (je nach Variante).
| Gewinde | WLL (Basis) | 1-strang 0° | 1-strang 90° | 2-strang 0° | 2-strang 90° | 2-strang symm. 0° - 45° | 2-strang symm. 45° - 60° | 3/4-strang symm. 0° - 45° | 3/4-strang symm. 45° - 60° | 2/3/4-strang asymm. |
|---|---|---|---|---|---|---|---|---|---|---|
| M8x11 | 300 kg | 300 kg | 300 kg | 600 kg | 600 kg | 420 kg | 300 kg | 630 kg | 450 kg | 300 kg |
| M10x16 | 630 kg | 630 kg | 630 kg | 1260 kg | 1260 kg | 880 kg | 630 kg | 1320 kg | 950 kg | 630 kg |
| M12x18 | 1000 kg | 1000 kg | 1000 kg | 2000 kg | 2000 kg | 1400 kg | 1000 kg | 2100 kg | 1500 kg | 1000 kg |
| M14x21 | 1200 kg | 1200 kg | 1200 kg | 2400 kg | 2400 kg | 1680 kg | 1200 kg | 2520 kg | 1800 kg | 1200 kg |
| M16x24 | 1500 kg | 1500 kg | 1500 kg | 3000 kg | 3000 kg | 2100 kg | 1500 kg | 3150 kg | 2250 kg | 1500 kg |
| M18x26 | 2000 kg | 2000 kg | 2000 kg | 4000 kg | 4000 kg | 2800 kg | 2000 kg | 4200 kg | 3000 kg | 2000 kg |
| M20x30 | 2500 kg | 2500 kg | 2500 kg | 5000 kg | 5000 kg | 3500 kg | 2500 kg | 5250 kg | 3750 kg | 2500 kg |
| M24x35 | 4000 kg | 4000 kg | 4000 kg | 8000 kg | 8000 kg | 5600 kg | 4000 kg | 8400 kg | 6000 kg | 4000 kg |
| M27x38 | 4000 kg | 4000 kg | 4000 kg | 8000 kg | 8000 kg | 5600 kg | 4000 kg | 8400 kg | 6000 kg | 4000 kg |
| M30x48 | 5000 kg | 5000 kg | 5000 kg | 10000 kg | 10000 kg | 7000 kg | 5000 kg | 10500 kg | 7500 kg | 5000 kg |
| M36x54 | 7000 kg | 7000 kg | 7000 kg | 14000 kg | 14000 kg | 9800 kg | 7000 kg | 14700 kg | 10500 kg | 7000 kg |
| M36x62 | 8000 kg | 8000 kg | 8000 kg | 16000 kg | 16000 kg | 11200 kg | 8000 kg | 16800 kg | 12000 kg | 8000 kg |
| M42x72 | 10000 kg | 10000 kg | 10000 kg | 20000 kg | 20000 kg | 14000 kg | 10000 kg | 21000 kg | 15000 kg | 10000 kg |
| M42x63 | 15000 kg | 15000 kg | 15000 kg | 30000 kg | 30000 kg | 21000 kg | 15000 kg | 31500 kg | 22500 kg | 15000 kg |
| M48x72 | 20000 kg | 20000 kg | 20000 kg | 40000 kg | 40000 kg | 28000 kg | 20000 kg | 42000 kg | 30000 kg | 20000 kg |
Als Zubehör zum Heben ist der AW-LBO vor jedem Einsatz zu prüfen und regelmäßig durch Fachpersonal zu inspizieren. Vor Gebrauch sind insbesondere Abnutzung, Korrosion, Risse, Verformungen sowie die Lesbarkeit der Kennzeichnung zu kontrollieren.
Hinweise zur Gewindeverbindung aus der Betriebsanleitung: Die Tiefe der Gewindebohrung muss mindestens der Gewindelänge entsprechen (bei Stahl); bei anderen Werkstoffen gelten höhere Mindestwerte. Zudem muss die Gewindebohrung rechtwinklig zur Auflagefläche ausgeführt sein und die Auflagefläche vollflächig tragen.
Für einen vollständigen Anschlagaufbau werden – abhängig von Last, Anschlagart und Umgebung – geeignete Anschlagmittel und Verbindungselemente benötigt.
Zur Variantenübersicht auf TOMANRO – Ausführungen und Tragfähigkeiten.
Produktseite als PDF öffnen – Kurzinfos und Programmübersicht.
Anschlagketten bei TOMANRO – GK10-Anschlagmittel für Hebeaufgaben.
Schäkel bei TOMANRO – Verbindungselemente für Anschlagketten und Ösen.
Rundschlingen bei TOMANRO – textile Anschlagmittel für empfindliche Lasten.
Betriebsanleitung öffnen – Prüf- und Sicherheitshinweise.
