
Der PFAFF Maschinenheber MH ist ein handbetätigter hydraulischer Maschinenheber mit integrierter Handpumpe zum kontrollierten Heben und Senken schwerer Lasten über Klaue oder Kopf, inklusive Druckbegrenzungsventil (Überlastschutz) und feinfühligem Senkventil. Die Serie umfasst MH 50, MH 100 und MH 250 mit definiertem Arbeitsbereich (Klaue/Kopf) sowie festem Hub und Eigengewicht je Modell.
Der PFAFF Maschinenheber MH ist ein handbetätigter hydraulischer Maschinenheber mit integrierter Handpumpe zum kontrollierten Heben und Senken schwerer Lasten über Klaue oder Kopf, inklusive Druckbegrenzungsventil (Überlastschutz) und feinfühligem Senkventil. Die Serie umfasst MH 50, MH 100 und MH 250 mit definiertem Arbeitsbereich (Klaue/Kopf) sowie festem Hub und Eigengewicht je Modell.
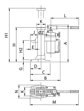
Der PFAFF Maschinenheber MH ist ein handbetätigter hydraulischer Maschinenheber mit integrierter Hydraulikpumpe und Lastkolben zum kontrollierten Heben und Senken schwerer Lasten wie Maschinen, Anlagenkomponenten oder Stahlbaugruppen. Die Kraftübertragung erfolgt über den Pumphebel: Der Pumpkolben erzeugt hydraulischen Druck, ein Rückschlagventil verhindert das Zurückströmen des Öls und damit ein unbeabsichtigtes Absenken der Last.
Für das sichere und präzise Ablassen verfügt der Heber über ein Schraubsitzventil bzw. feinfühliges Senkventil, wodurch die Last kontrolliert abgesenkt werden kann. Ein integriertes Druckbegrenzungsventil schützt das Hydrauliksystem vor Überlast; zusätzlich ist eine Hubbegrenzung integriert. Die robuste Ausführung mit hartverchromter Kolbenstange und großer Bodenplatte unterstützt eine hohe Standsicherheit bei sachgemäßer Anwendung.
Der Maschinenheber wird eingesetzt, wenn Lasten kurzzeitig angehoben, ausgerichtet oder für Montage-/ Wartungsarbeiten in Position gebracht werden müssen. Typische Anwendungen ergeben sich überall dort, wo geringe Ansetzhöhen und das Aufnehmen der Last wahlweise über Kopf oder Klaue erforderlich sind.
Es liegen Variantenangaben für MH 50, MH 100 und MH 250 vor. Die Auswahl erfolgt primär nach Tragfähigkeit, erforderlichem Arbeitsbereich (Kopf/Klaue) sowie den Ausstattungsmerkmalen zur Handhabung (Tragegriff/Fahrwerk).
Hinweis zur Anwendung: Die Klaue ist aus Standsicherheitsgründen für das einseitige Anheben vorgesehen.
Der Maschinenheber ist ein ortsveränderliches, handbetriebenes Hubgerät zum Heben und Senken von Lasten. Maschineller Antrieb ist ausdrücklich untersagt; zudem ist das Gerät nicht für Dauerbetrieb zugelassen. Der Einsatz in explosionsgefährdeten Räumen sowie in aggressiver Umgebung ist ausgeschlossen.
Die folgende Übersicht enthält die wesentlichen Kenndaten je Modell, inklusive Arbeitsbereich (Ansetzhöhen min./max.) und Eigengewicht. Der Arbeitsbereich ergibt sich aus den Ansetzhöhen mit Klaue bzw. Kopf.
| Modell | Tragfähigkeit | Hub | Arbeitsbereich Klaue (min.–max.) | Arbeitsbereich Kopf (min.–max.) | Eigengewicht | Pumphebelkraft bei Volllast | Hub je Pumpbewegung | Lastschwerpunkt s | Umgebungstemperatur |
|---|---|---|---|---|---|---|---|---|---|
| MH 50 | 5 t | 205 mm | 25–230 mm | 368–573 mm | 25 kg | 38 daN | 3.0 mm | > 20 mm | -10 °C bis +50 °C |
| MH 100 | 10 t | 230 mm | 30–260 mm | 420–650 mm | 35 kg | 40 daN | 1.6 mm | > 25 mm | -10 °C bis +50 °C |
| MH 250 | 25 t | 215 mm | 58–273 mm | 505–720 mm | 109 kg | 40 daN | 1.0 mm | > 45 mm | -10 °C bis +50 °C |
Für einen sicheren und praxisgerechten Einsatz des Maschinenhebers sind ergänzende Komponenten sinnvoll, insbesondere zur Abstützung und Absicherung der angehobenen Last sowie für alternative Hubaufgaben im Werkstatt- und Industriebereich.
