| max. Seilzugkraft 1. Lage | 100 kg |
| Nutzbare Seillänge 1. Lage | 14 m |
| Seilgeschwindigkeit 1. Lage | 5 m/min |
| Seildurchmesser | 5 mm |
| Gewicht ca. | 25 kg |
| Artikel-Nr.: | K130.010.000 |
Der Antrieb der Winde ist mittels Akkuschrauber oder auch elektrischer Handbohrmaschine zulässig. Dabei ist die Drehmomentbegrenzung des Akkuschraubers oder der Bohrmaschine auf den jeweils benötigten Minimalwert einzustellen. Die Drehmomentbegrenzung übernimmt hier die Aufgabe einer Überlastsicherung. In jedem Fall hat der Bediener sich davon zu überzeugen, dass das Maximalgewicht der zu hebenden Teile und der verwendeten Lastaufnahme- und Anschlagmittel die Nenntraglast der Winde nicht übersteigen. Der Antriebszapfen besteht aus einem 6-Kant mit einer Schlüsselweite von M22. Die Antriebswelle mündet in ein Schneckengetriebe, das den Drehmoment auf die Seiltrommel überträgt. Das Schneckengetriebe ist selbsthemmend und erfüllt die Sicherheitsfunktion zum Halten der gehobenen Last.
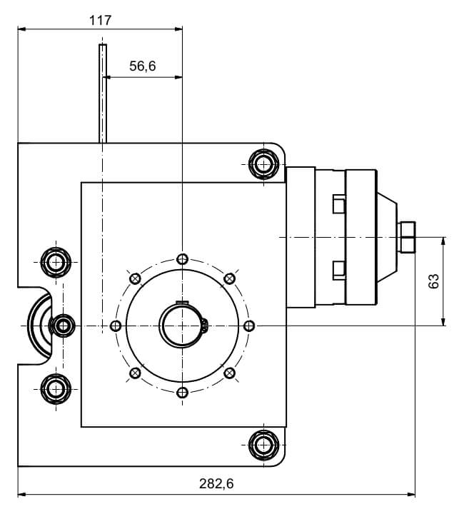
Die Winde wird kundenseitig an der Wand befestigt. Das Seil geht wahlweise senkrecht nach oben oder nach unten ab. Die Akkuschrauberwinde wird über die rückseitigen Bohrungen an der Wand montiert und muss auf jeden Fall an allen 4 Punkten fest verankert werden. Empfohlen wird die Befestigung der Winde an Stahlträgern mit Sechskantschrauben der Größe M12 und einer mindest Festigkeitsklasse von 5.6. Alternativ kann die Winde auch mit Dübeln auf Beton oder Mauerwerk befestigt werden. Ein Blech als Untergrund empfiehlt sich um Unebenheiten der Wand auszugleichen.
Das benötigte Befestigungsmaterial gehört nicht zum Lieferumfang und ist vom Betreiber bauseits auszuwählen. Für den Baugrund geeignete Dübel erfragen Sie bitte beim Schraubenhersteller.
Die Betätigung erfolgt mittels Akkuschrauber oder Bohrmaschine mit Drehmomentbegrenzung. Der Antrieb darf eine Drehzahl von 1300 U/min nicht überschreiten. Im Notfall kann die Winde auch mit einem Schraubenschlüssel SW 22 betätigt werden. Ein Antrieb liegt dem Lieferumfang der Winde nicht bei.
Die Seiltrommel der Akkuseilwinde WA verfügt über einen großen, Seil schonenden Durchmesser. Die Vorgaben der DGUV 17 werden weit übertroffen. Zudem verfügt die Seiltrommel über eine linksgängige Rillung, auf der sich das Seil, dank der integrierten Andruckrolle, sauber nebeneinander ablegt. Es darf nur einlagig gewickelt werden. Die Trommel ist serienmäßig 310 mm breit und ermöglicht einen Hub von 5 m. Wahlweise lassen sich mehrere Seile nebeneinander mit der Trommel aufwickeln. Auch lässt sich die Trommel bei Bedarf länger ausführen und damit Platz für mehr Seil generieren.
Die DGUV 17 fordert, dass der Trommeldurchmesser mindestens dem 18 fachen des Seildurchmessers entspricht. Dieses Verhältnis garantiert ein schonendes Aufwickeln ohne das Seil an seine Biegegrenze zu bringen.
Die Winde verfügt über einen Sicherheitsfaktor von 10. Alle Komponenten wie Gehäuse, Getrieb, Seiltrommel und Seil sind auf diesen Faktor ausgelegt und bürgen für höchste Sicherheit.
Die Seilwinde verfügt zusätzlich zur dynamischen Selbsthemmung des Schneckengetriebes noch über eine Scheibenbremse. Die Bremse wird durch Axialdruck mit dem Schrauber auf die Antriebswelle gelüftet (ca. 7 kg). Jedoch erfüllt die Scheibenbremse keine Sicherheitsfunktionen zum Halten der gehobenen Last. Dies wird allein durch das dynamisch selbsthemmende Schneckengetriebe realisiert. Die Scheibenbremse begrenzt bei guter Einstellung der Drehmomentbegrenzung am Schrauber den Nachlauf.
Um den benötigten Sicherheitsfaktor zu erfüllen, dürfen nur Drahtseile mit mindestens 10-facher Sicherheit der Mindestbruchkraft zu Nenntraglast eingesetzt werden! Da die Rillung bei dieser Winde linksgängig ist sollten nur rechtsschlägige Seile verwendet werden. Zudem müssen die verwendeten Seile ein gültiges Prüfzeugnis haben. Die Seile müssen bei Wartungen besonders auf ihre Beschaffenheit überprüft werden.
