| Tragfähigkeit | 2000 kg |
| Baugröße | hoch |
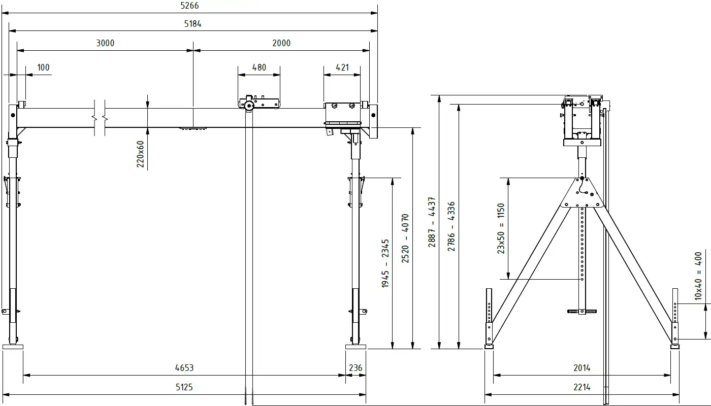
| lichte Trägerlänge | 5000 mm |
| Einhängepunkt an Laufkatze | 2786 - 4336 mm |
| Gesamthöhe | 2887 - 4437 mm |
| Trägerlänge gesamt | 5184 mm |
| Breite des Seitengestells | 2214 mm |
| Unterkante Alu-Träger | 2520 - 4070 mm |
| Gewicht ca. | 307.0 kg |
| Artikel-Nr.: | 1532050-10 |
Der SCHILLING Alu-Portalkran mit Doppelträgern in hoher Ausführung lässt sich schnell und unkompliziert in seine Einzelkomponenten zerlegen und ohne zusätzliches Werkzeug wieder aufbauen. Ideal für den mobilen Einsatz, ob in der Werkstatt oder der Wildnis. Die Teile sind überwiegend steckbar und über Bolzen gesichert.
Seine hohe Tragkraft wird auf die Doppelträger verteilt. Die Laufkatze rollt auf dem Portals wie auf zwei Schienen ab. Sie ist extrem raumsparend, flach und leicht zu bewegen. Schlanke Hebezeuge finden noch zwischen den Trägern Platz. Breitere Hubwerke wie Eletkrokettenzüge lassen sich über einen Adapter mit der Laufkatze verbinden und hängen unterhalb der Portal-Träger.
In seiner vollen Größe gibt der Kran eine imposante Konstruktion ab. Seine Füße ragen weit auseinander um einen guten und sicheren Stand zu bieten. Sein Portal ist in Höhe und Breite verstellbar und lässt sich schnell an vorhandene Gegebenheiten anpassen. Eines seiner Seitengestelle ist auf dem Portalträger verschiebbar und bietet so die Möglichkeit, seine Durchfahrbreite zu verjüngen. So lassen sich die Stützen auf einen minimalen Abstand von 2.0 m zusammengeschieben. Eine feine Rasterung in der Trägerstütze des Seitengestells, erlaubt die Höhenverstellung des Portalträgers.
Für einen leichten Transport und eine platzsparende Aufbewahrung lassen sich die Portalträger in jeweils 2 Einzelstücke zerlegen.
Eine leichtläufige Laufkatze ist im Lieferumfang schon enthalten. Serienmäßig ist die Katze mit einer Feststellvorrichtung ausgestattet. Durch Zug am roten Band blockiert sie am Träger. Zieht man am grünen Band löst sie sich. Dies ist hilfreich, um ein ungewolltes Wegrollen der belasteten Katze zu verhindern.
Die Aluminium- und Kunststoff-Teile sind für den rauen Betrieb auf Baustellen und den aggressiven Umgebungen in Kläranlagen und Häfen ausgelegt. Die leichten, widerstandsfähigen Werkstoffe sorgen bei diesem Produkt für eine hohe Standzeit.
