| Tragfähigkeit | 500 kg |
| max. Höhe | 2900 mm |
| Fahrgestell-Form | elektrisch |
| Gewicht ca. | 800 kg |
| Artikel-Nr.: | HYD-ITI500B17 |
Der Gegengewichtskran von Hydrobull ist das Einstiegsmodell aus der Kleinkran-Serie von Hydrobull. Er ist für den gelegentlichen Gebraucht von bis zu 25 Anwendungen die Monat ausgelegt. Der Original Hydrobull-Kran hat ein nach hinten verlagertes Fahrgestell. In seinem geschwungenen Design versteckt sich die Gegengewichtsfüllung, die schon bauseits eingebracht wird. Das Gegengewicht macht den Kleinkran flexibel und ermöglicht ein ungestörtes Heranfahren an Be- und Entladezonen. Zugleich ermöglicht die freie Ausladung vor den Rädern das Heranfahren von Lasten direkt an Maschinen. So kann der Kran sowohl für Werkzeugwechsel als auch zum Entladen von Gitterboxen eingesetzt werden. Der Werkstattkran verfügt über eine besonders robuste Stahl-Schweiß-Konstruktion mit einer Traglast von bis zu 500 kg in kleinster Auslage.
Verfahren wird der Gegengewichtskran über die leichtgängige Brems-Lenk-Deichsel und seine kugelgelagerten Polyamid-Räder. Der Gegengewichtskran ist äußerst wendig, da sich die Lenkdeichsel um fast 180 Grad einschlagen lässt. Trotz seines großen Eigengewichts ist er leicht zu Manövrieren und zum Be- oder Entladen in Position zubringen. Beim Hochstellen der Deichsel wird der Kran automatisch gebremst und für den sicheren Stand festgestellt. Das Gegengewicht des Krans befindet sich hinten und bietet eine gummierte Auflagefläche um beispielsweise Werkzeuge oder Anschlagmittel ablegen zu können.
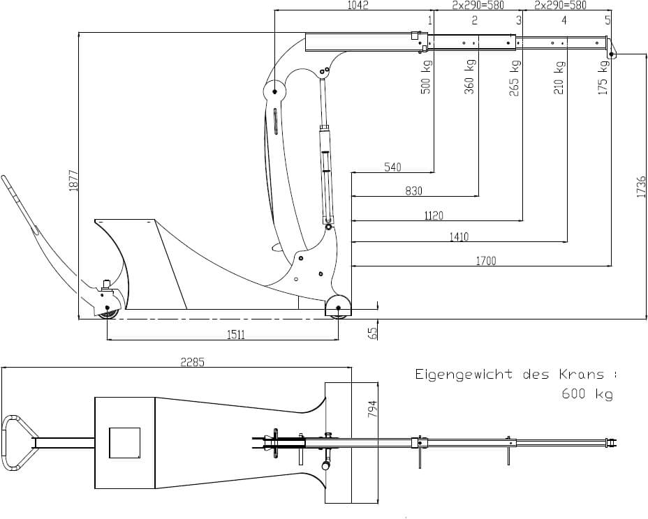
Der Ausleger lässt sich über eine Bolzenverbindung schnell manuell 5-fach verstellen. Durch Ausziehen oder Verkürzen des Teleskopauslegers ändert sich die Tragfähigkeit. Der Innere Ausleger ist verzinkt. Zusätzlich ist er mit einer Ausrauschsperre gesichert, so dass der Ausleger nicht unbeabsichtigt herausfallen und Unfälle verursachen kann. Über den hochwertigen, verzinkten DIN-Sicherheits-Wirbellasthaken mit Hakensicherung und großer Maulöffnung werden die Lasten angeschlagen.
Das Heben der Last wird einfach Batteriebetrieben elektrisch auf Knopfdruck am Handtaster bewerkstelligt. Durch den Handtaster mit ca. 3 Meter Kabel kann der Bediener flexibel vom Kran unabhängig den Hub und das Senken betätigen. D.h. Sie können auch in der Nähe der Last stehen, um das genaue Einpassen zu beobachten oder zu unterstützen. Das gibt mehr Sicherheit und lässt Sie die Aufgaben schneller und effizienter erledigen.
Im Ruhezustand lässt sich der Kran mit eingeklapptem Ausleger platzsparend verstauen. Der Gegengewichtskran wird inkl. Gegengewichten geliefert und ist sofort einsatzbereit.
Dieser wirklich preisgünstige Original Hydrobull-Kran ist für den gelegentlichen Gebrauch ausgelegt. Für häufigeren Einsatz empfehlen wir den Elektrobull oder die Industrieausführungen. Die Kompakthydraulik ist für ca. 500 Hübe ausgelegt.
| VERHÄLTNIS TRAGKRAFT, AUSLADUNG, HUBHÖHE | ||||||
| Ausleger | Tragkraft/kg | Ausladung bei waagerechtem Ausleger/mm | Hubhöhe*/mm | |||
| Stellung | vor der Hydraulik ca. | vor den Rädern ca. | min. | max. | ||
| 1 | 500 | 700 | 540 | 620 | 2160 | |
| 2 | 380 | 990 | 830 | 380 | 2345 | |
| 3 | 305 | 1280 | 1120 | 140 | 2530 | |
| 4 | 255 | 1570 | 1410 | 0 | 2715 | |
| 5 | 220 | 1860 | 1700 | 0 | 2900 | |
| * an Hakenmaulöffnung – die reduzierten Ausladungen entnehmen Sie bitte dem Diagramm | ||||||
| SONSTIGE DATEN | min. | max. | ||||
| Auslegerlänge von… bis… | 1045 | 2205 | ||||
| Länge Radstand | mm | 1500 | ||||
| Länge Fahrgestell inkl. Räder | mm | 2300 | ||||
| Länge inkl. eingeschobenen abgesenkten Ausleger Pos. 1 | mm | 2170 | ||||
| ca. Gangbreite für 90˚-Wendung | mm | 2200 | ||||
| Breite Fahrgestell außen | mm | 800 | ||||
| Breite Fahrgestell innen | mm | - | ||||
| Durchfahrhöhe Ausleger waagerecht | mm | 1875 | ||||
| Durchfahrhöhe Ausleger abgesenkt | mm | 1600 | ||||
| Unterfahrhöhe | mm | - | ||||
| Hakenlänge ca. | mm | 225 | ||||
| Bodenfreiheit | mm | 30 | ||||
| Lastrad | mm | 150 | ||||
| Lenkrad | mm | 150 | ||||
| Schwenken | - | |||||
| Eigengewicht – inkl. Gegengewichtsfüllung | kg | 800 | ||||
| Nötiges Füllgewicht für Gegengewichtskrane** | kg | - | ||||
| Batterien | AH | 70 | ||||
| Ladegerät extern | A | 10 | ||||
| ** Gerät ist erst nach Einbringen betriebsbereit | ||||||
