
Die Elektrische Drahtseilwinde DPS von DELTA ist eine kompakte Zugwinde für industrielle Anwendungen mit Zugkräften von 0.2 t bis 0.5 t an einem 230-V-Anschluss. Sie wird betriebsfertig mit Steuerschalter, Zuleitung und vormontiertem Stahlseil geliefert und eignet sich für horizontale oder leicht geneigte Zugarbeiten. Das permanent geschmierte Planetengetriebe sorgt für einen ruhigen, langlebigen und wartungsarmen Betrieb.
Die Elektrische Drahtseilwinde DPS von DELTA ist eine kompakte Zugwinde für industrielle Anwendungen mit Zugkräften von 0.2 t bis 0.5 t an einem 230-V-Anschluss. Sie wird betriebsfertig mit Steuerschalter, Zuleitung und vormontiertem Stahlseil geliefert und eignet sich für horizontale oder leicht geneigte Zugarbeiten. Das permanent geschmierte Planetengetriebe sorgt für einen ruhigen, langlebigen und wartungsarmen Betrieb.
Die Elektrische Seilwinde DPS von DELTA ist eine kompakte Drahtseilzugwinde für Zugarbeiten mit Zugkräften von 0.2 t bis 0.5 t an einem 230 V Anschluss. Sie wird betriebsfertig mit Steuerschalter, Stromkabel und vormontiertem Stahlseil mit Lasthaken geliefert und ist damit sofort für eine Vielzahl von industriellen Anwendungen einsetzbar. Das permanent geschmierte Planetengetriebe sorgt für einen ruhigen, langlebigen und geräuscharmen Betrieb.
Die DPS-Drahtseilwinde ist als reine Zugwinde konzipiert und für den Materialtransport gemäß DGUV Vorschrift 54 zugelassen, jedoch nicht zum Heben von Lasten und insbesondere nicht von Personen. Mit ihren Zugbereichen von 28 m bzw. 43 m und Zuggeschwindigkeiten bis 18.9 m/min eignet sie sich ideal für horizontalen oder leicht geneigten Lastzug im Anlagen-, Maschinen- und Stahlbau.
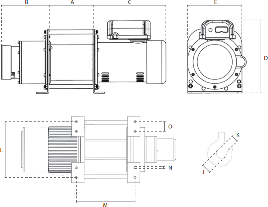
Aufbau und Komponenten der DPS-Winde sind auf hohe Betriebssicherheit, geringe Wartung und lange Lebensdauer ausgelegt.
| Ausführung | Zugkraft | Zugbereich | Max. Zuggeschwindigkeit | Stahlseil (Länge x Ø) | Motorleistung | Eigengewicht |
|---|---|---|---|---|---|---|
| DPS 200 | 0.2 t (200 kg) | 28 m | 14.1 m/min | 30 m x 6 mm | 0.37 kW | 32 kg |
| DPS 250 | 0.25 t (250 kg) | 28 m | 14.1 m/min | 30 m x 6 mm | 0.60 kW | 36 kg |
| DPS 300 | 0.3 t (300 kg) | 28 m | 14.1 m/min | 30 m x 7 mm | 0.75 kW | 38 kg |
| DPS 500 | 0.5 t (500 kg) | 43 m | 18.9 m/min | 45 m x 8 mm | 1.5 kW | 76 kg |
| Betriebsspannung | 230 V / 50 Hz | Einphasenanschluss, vorbereitet für Direktanschluss. | ||||
| Schutzart / Isolationsklasse | IP 44 (Gehäuse), IP 65 (Steuerschalter) | Isolationsklasse F, Triebwerksgruppe M5/2m. | ||||
| Einsatztemperatur | -10 °C bis +40 °C | Geeignet für typische Hallen- und Außentemperaturen. | ||||
| Bestimmungsgemäße Verwendung | Zugwinde für Materialtransport, nicht zum Heben von Lasten oder Personen zugelassen. | |||||
Die Elektrische Drahtseilwinde DPS ist ideal für Zugarbeiten im Maschinenbau, Anlagenbau, Stahlbau, in Werkstätten und bei Montageeinsätzen, bei denen kompakte, netzabhängige Zugwinden benötigt werden.
Für den sicheren und normgerechten Betrieb der DPS-Zugwinde sind die Montagevorschriften des Herstellers sowie die einschlägigen Arbeitsschutzregeln einzuhalten.
