| max. Seilzugkraft 1. Lage | 250 kg |
| Nutzbare Seillänge 1. Lage | 11 m |
| Nutzbare Seillänge Oberste Lage | 75 m |
| Spannung | 400 V / 50 Hz |
| Seilgeschwindigkeit 1. Lage | 8 m/min |
| Seilgeschwindigkeit Oberste Lage | 12 m/min |
| Seildurchmesser | 5 mm |
| max. Seilzugkraft oberste Lage | 160 kg |
| Motorleistung | 0.37 kW |
| Einschaltdauer | 60 % |
| Gewicht ca. | 35 kg |
| Artikel-Nr.: | PLA-H62101 |
Die Elektroseilwind PFW wird mit glatter Trommel, Stirnradgetriebe und Bremsmotor geliefert.
Für eine Inbetriebnahme ist die Winde mit 400 V/ 50Hz/ Drehstrom zu versorgen und über eine Steuerung anzusteuern. Bei Hubanwendungen sind Endschalter zu montieren. Für höhere Seilstandszeiten und einen ruhigeren Lauf des Seils empfiehlt sich eine gerillte Trommel.
Der Standarddurchmesser basiert auf einem D/d Verhältnis von 14 und erfüllt damit die Anforderungen der Triebwerksgruppe 1Bm. Neben den Seilwinden vom Typ PFW-1D, verfügt die Typenreihe PFW-2D über den doppelten Trommeldurchmesser für einlagige Anwendungen von höchster Präzision.
Als leichte Industrieseilwinde ist die Elektroseilwinde PFW-E der Einstieg für maßgeschneiderte PLANETA-Lösungen zum Ziehen, Heben und Positionieren bis 3.000 kg Last. Mit zwei verschiedenen Trommeldurchmessern, dem modularen Baukastenprinzip sowie dem umfassenden Ausstattungsprogramm passt sie sich auch nachträglich veränderbar optimal an die Gegebenheiten an. Durch Bevorratung vieler Teile ist die Produktionszeit der Elektroseilwinde PFW-E auch in Sonderausführungen sehr kurz.
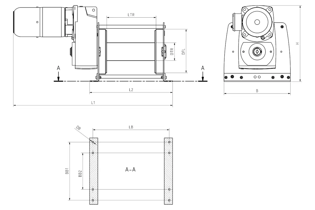
| Abmessungen in mm | ||||||||||||
| Typ | PFW-1D 250 | |||||||||||
| L1 | 860 | |||||||||||
| L2 | 460 | |||||||||||
| B | 270 | |||||||||||
| H | 310 | |||||||||||
| LTR | 300 | |||||||||||
| DTR | 65 | |||||||||||
| DFL | 155 | |||||||||||
| LB | 430 | |||||||||||
| BB1 | 220 | |||||||||||
| BB2 | - | |||||||||||
| DB | 13.5 | |||||||||||
