Innerhalb eines Hängebahnsystems treten mehrere Belastungsfälle auf. Es wird zwischen der Belastung durch eine Streckenlast und der Belastung durch eine Punktlast unterschieden. Eine Streckenlast entsteht beispielsweise beim Aufblocken von mehreren Transporthängern zu einer sog. Staustrecke. Werden hingegen die Lasten in größerem Abstand an einzelnen Transporthängern transportiert, so wird die Belastung als Punktlast angenommen. Es ist deshalb durchaus möglich, dass in unterschiedlichen Bereichen der Anlage unterschiedliche Aufhängeabstände gewählt werden können.
Eine rechnerische Überprüfung der zulässigen Aufhängeabstände ist anhand der statischen Werte der Laufschienen von Fall zu Fall durchzuführen. Zur optimalen Auslegung empfiehlt es sich, uns den Projektierungsauftrag zu vergeben.
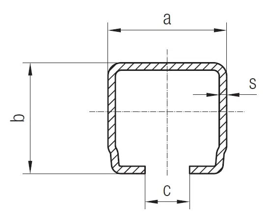
| Schienen-Abmessungen | : | 63x63x4 mm | |
| Breite | a | : | 63 mm |
| Höhe | b | : | 63 mm |
| Spalt | c | : | 16 mm |
| Dicke | s | : | 4 mm |
| Max. Tragfähigkeit | : | 500 kg/m | |
