
Individuell einstellbar über die drehbare Gewindespindel. Ab einer Tragfähigkeit von 10 Tonnen durch Anpassen der Füllringe verstellbar.
Bruchsicherungsbügel dienen als Fall-, Bruch- und Stoßschutz. Zusätzlich mit Kippsicherung ausgestattet, um maximale Sicherheit zu gewährleisten.
Dauerhaft geschmierte, kugelgelagerte Rollen sorgen für ein sanftes und leichtgängiges Verfahren auf dem Träger.
Individuell einstellbar über die drehbare Gewindespindel. Ab einer Tragfähigkeit von 10 Tonnen durch Anpassen der Füllringe verstellbar.
Bruchsicherungsbügel dienen als Fall-, Bruch- und Stoßschutz. Zusätzlich mit Kippsicherung ausgestattet, um maximale Sicherheit zu gewährleisten.
Dauerhaft geschmierte, kugelgelagerte Rollen sorgen für ein sanftes und leichtgängiges Verfahren auf dem Träger.
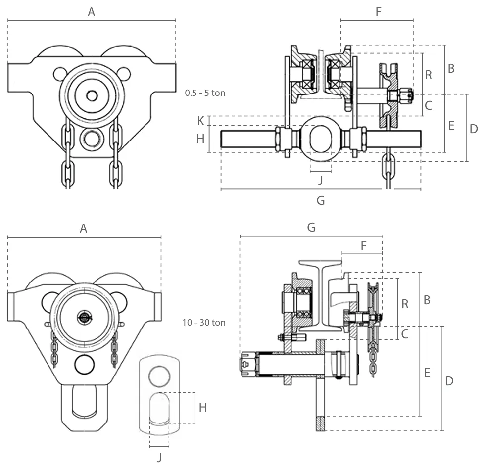
Die DELTA Laufkatze mit Haspelkettenfahrwerk RED ist die zuverlässige Lösung für das sichere und präzise Verfahren von Lasten. Dank der drehbaren Gewindespindel lässt sich die Laufkatze individuell und exakt auf die jeweilige Trägerbreite einstellen. Ab einer Tragfähigkeit von 10 Tonnen erfolgt die Anpassung über praktische Füllringe. Mit ihrer robusten Bauweise, sicherheitsrelevanten Features und einer komfortablen Bedienung ist sie ideal für den professionellen Einsatz in Industrie und Werkstätten.
Präzise Anpassung über drehbare Gewindespindel oder Füllringe ab 10 t.
Bruchsicherungsbügel und Kippsicherung für sicheren Betrieb.
Dauerhaft geschmierte, kugelgelagerte Rollen für ruhigen Betrieb.
Mit Prüfzertifikat, CE-Erklärung und Betriebsanleitung geliefert.
| Eigenschaft | Beschreibung |
|---|---|
| Tragfähigkeit | bis 10.000 kg (modellabhängig) |
| Einstellung | Drehbare Gewindespindel, ab 10 t mit Füllringen |
| Sicherheit | Bruchsicherungsbügel, Kippsicherung |
| Rollen | Dauerhaft geschmiert, kugelgelagert |
| Hubhöhe | 3 Meter, mit Handkette |
| Kompatibilität | I- und H-Träger |
| Lieferumfang | Prüfzertifikat, CE-Erklärung, Betriebsanleitung |
Sicheres Verfahren schwerer Lasten auf I- und H-Trägern.
Für präzises Positionieren von Maschinen und Komponenten.
Optimal für Montagearbeiten mit hoher Lastsicherheit.
Effizient beim innerbetrieblichen Materialumschlag.
Nutzen Sie die drehbare Gewindespindel für eine schnelle Anpassung an unterschiedliche Trägerbreiten. Bei hohen Tragfähigkeiten über 10 t empfiehlt es sich, die Füllringe sorgfältig einzusetzen, um maximale Stabilität zu gewährleisten.
Vor jedem Einsatz ist die Kippsicherung auf korrekten Sitz zu prüfen. Verwenden Sie die Laufkatze ausschließlich auf geeigneten I- oder H-Trägern und achten Sie darauf, dass die zulässige Tragfähigkeit nicht überschritten wird.
Die DELTA Laufkatze mit Haspelkettenfahrwerk RED überzeugt durch ihre flexible Anpassung, höchste Sicherheit und langlebige Konstruktion. Mit kugelgelagerten Rollen, Handkette und umfangreicher Sicherheitsausstattung ist sie die perfekte Wahl für professionelle Anwender in Industrie, Logistik und Montage.
