
Das Einschienen-Elektrofahrwerk VTE von Yale ist ein motorisch angetriebenes Fahrwerk zum präzisen Verfahren von Lasten auf I- und H-Trägern in industriellen Kran- und Montagesystemen. Der Antrieb über Schneckengetriebe ermöglicht gleichmäßiges Anfahren und selbsttätiges Abbremsen, während kugelgelagerte Laufrollen einen ruhigen Lauf gewährleisten. Serienmäßige Kippsicherung, Radbruchstützen und IP55-Motorschutz sorgen für einen sicheren Dauerbetrieb.
Das Einschienen-Elektrofahrwerk VTE von Yale ist ein motorisch angetriebenes Fahrwerk zum präzisen Verfahren von Lasten auf I- und H-Trägern in industriellen Kran- und Montagesystemen. Der Antrieb über Schneckengetriebe ermöglicht gleichmäßiges Anfahren und selbsttätiges Abbremsen, während kugelgelagerte Laufrollen einen ruhigen Lauf gewährleisten. Serienmäßige Kippsicherung, Radbruchstützen und IP55-Motorschutz sorgen für einen sicheren Dauerbetrieb.
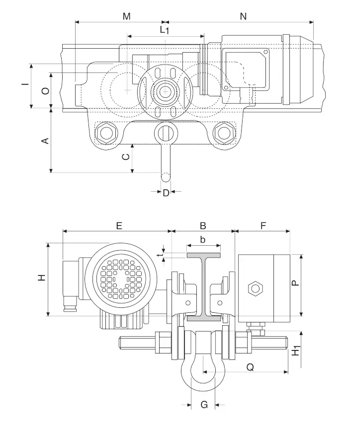
Das Einschienen-Elektrofahrwerk VTE von Yale ist ein motorisch angetriebenes Elektrofahrwerk zum präzisen Verfahren von Lasten auf I- und H-Trägern und wird typischerweise mit Hebezeugen mit Traghaken kombiniert. Durch die universelle Schäkelanbindung eignet es sich für viele Hebezeuge, während der Antrieb über Schneckengetriebe ein gleichmäßiges Anfahren und selbsttätiges Abbremsen ermöglicht (eine separate Motorbremse ist konstruktiv nicht erforderlich). Das Fahrwerk ist für den industriellen Betrieb ausgelegt und bietet u. a. IP 55 Motorschutz, kugelgelagerte Laufrollen, ein balliges Radprofil für parallele und geneigte Flansche sowie serienmäßige Kippsicherung und Radbruchstützen.
Das VTE wird je Tragfähigkeit in unterschiedlichen Fahrgeschwindigkeiten angeboten: als Eingeschwindigkeits-Variante und als Zweigeschwindigkeits-Variante (Fein-/Schnellfahrt). In der Praxis unterscheiden sich die Ausführungen zudem über zulässige Flanschbreite und Flanschdicke des Trägers; diese Werte müssen zur realen Trägergeometrie (inkl. Beschichtung, Grat, Schweißspritzer) passen. Für geneigte oder nicht perfekt parallele Flansche ist das ballige Radprofil ein Vorteil, ersetzt aber keine korrekte Einstellung: Das Fahrwerk muss leichtgängig laufen und darf nicht seitlich klemmen oder zu viel Spiel haben.
Die folgende Übersicht zeigt typische Ausführungen nach Tragfähigkeit, Fahrgeschwindigkeit sowie zulässiger Flanschbreite und Flanschdicke. Für die Auswahl gilt: Trägerflansch messen, Variante passend wählen und anschließend so einstellen, dass ein ruhiger Lauf ohne Verkanten erreicht wird.
| Modell | Tragkraft | Fahrgeschwindigkeit | Flanschbreite | Flanschdicke |
|---|---|---|---|---|
| 1-A-18/U | 1000 kg | 18 m/min | 58-180 mm | 19 mm |
| 1-A-18/4.5/U | 1000 kg | 18/4.5 m/min | 58-180 mm | 19 mm |
| 2-A-18/U | 2000 kg | 18 m/min | 58-180 mm | 19 mm |
| 2-A-18/4.5/U | 2000 kg | 18/4.5 m/min | 58-180 mm | 19 mm |
| 3-A-11/U | 3000 kg | 11 m/min | 74-180 mm | 27 mm |
| 3-A-11/2.8/U | 3000 kg | 11/2.8 m/min | 74-180 mm | 27 mm |
| 5-A-11/U | 5000 kg | 11 m/min | 98-180 mm | 27 mm |
| 5-A-11/2.8/U | 5000 kg | 11/2.8 m/min | 98-180 mm | 27 mm |
Verwenden Sie das Fahrwerk nur innerhalb der zulässigen Tragkraft und ausschließlich auf geeigneten Trägern mit passender Flanschbreite und Flanschdicke. Stellen Sie sicher, dass Kippsicherung und Radbruchstützen intakt sind und das Fahrwerk nach dem Einstellen leichtgängig läuft (kein Klemmen, kein Schleifen). Organisieren Sie wiederkehrende Prüfungen und dokumentieren Sie Instandhaltung/Änderungen; bei auffälligem Geräusch, Unwucht, erhöhter Erwärmung oder beschädigten Bauteilen darf das Fahrwerk nicht weiter betrieben werden.
Für eine komplette Kranlösung wird das VTE häufig mit einem passenden Yale Elektrokettenzug kombiniert, damit Hub- und Fahrbewegung als Einheit genutzt werden können. Zusätzlich sind je nach Anlage eine geeignete Stromzuführung (z. B. Schleppleitung/Stromschiene), Fahrweg-Endanschläge sowie passende Anschlagmittel zur Lastaufnahme sinnvoll. Wenn der Einsatzort oft wechselt oder keine elektrische Versorgung verfügbar ist, kann alternativ ein Handhebezeug mit Fahrwerk die praxisgerechtere Lösung sein.
https://www.tomanro.de/4833-Yale_Einschienen_Elektrofahrwerk_VTE-Typen
https://www.tomanro.de/pdf/TOMANRO/Katalogseite-Yale-Einschienen-Elektrofahrwerk_VTE.pdf
https://www.tomanro.de/101-Yale_Elektrokettenzug_CPV-Typen
https://www.tomanro.de/436-Yale_Elektrokettenzug_CPE-Typen
