| Tragfähigkeit | 1000 kg |
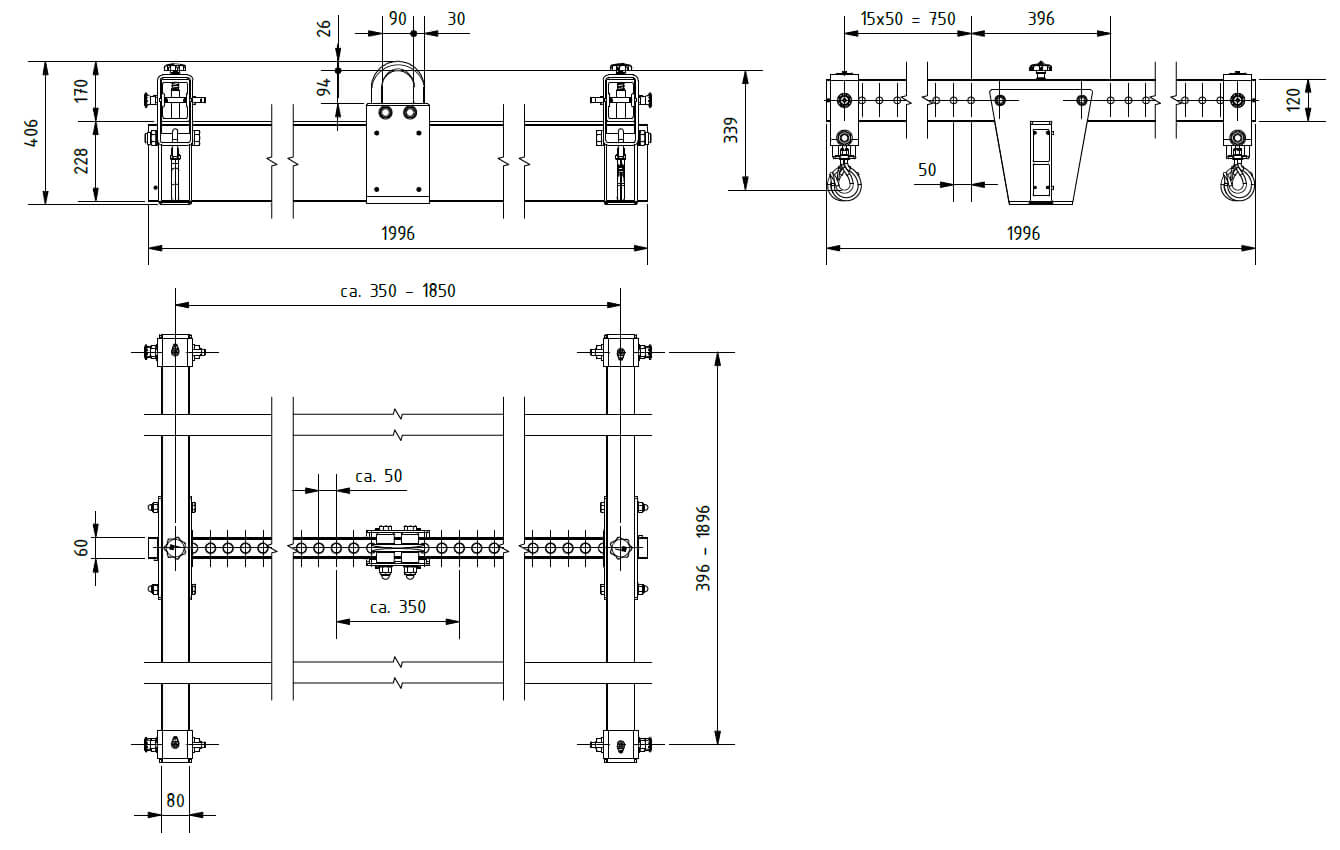
| Arbeitsbreite Haupträger | 350 - 2000 mm |
| Arbeitsbreite Querträger | 400 - 2000 mm |
| Rastermaß | 50 mm |
| Gewicht ca. | 93.24 kg |
| Artikel-Nr.: | 53102020 |
Die H-Traverse von Schilling besticht durch ihr geringes Eigengewicht, ihr leichtes Verstellen auf individuelle Maße und ihre besonders gute Verfügbarkeit. Die H-Traverse bietet ein äußerst geringes Hakenmaß und empfiehlt sich für Anwendnungen unter stark beengten Verhältnissen.
Bis auf wenige Ausnahmen bestehen alle Teile der H-Traverse aus Aluminium oder sehr hochwertigem Kunststoff. Nur die Bolzen, Kreuzbinder, Traversenaufhängung und Lastschuhe mit Haken sind aus Stahl gefertigt. Die zentrische Aufhängung ist mit einer großen Öse zur Aufnahme von Kranhaken versehen. Die vier verstellbaren Lasthaken sind unter Last um 360° drehbar. Über Rastbolzen und Gleitschuhe lässt sich die H-Traverse bequem auf gewünschte Arbeitsbreiten einstellen. Das Schnellrastsystem sieht hier ein feines Schrittmaß von 50 mm vor. Die Traverse kann sowohl in der Breite durch Verstellen der Quertraversen als auch in der Länge durch Verschieben der 4 Sicherheitslasthaken eingestellt werden.
Für eine Einlagerung der Traverse bietet sich eine Demontage der Querträger an. Innensechskantschrauben am Ende der Hauptträger dienen als Endschlag für die Querträger. Diese müssen ausgeschraubt werden, bevor die Querträger vom Hauptträger entnommen werden. Die Demontage lässt sich mit wenigen Handgriffen in kürzester Zeit durchführen. Haupt- und Querträger können dann platzsparend parallel zueinander abgelegt werden. Die Teile sind leicht und gut von einer Person zu handeln.
Schilling bietet eine hohe Lieferbereitschaft. Mit großem Lagerbestand vorgefertigter Einzelteile sind die H-Traversen meist in relativ kurzer Zeit lieferbar.
