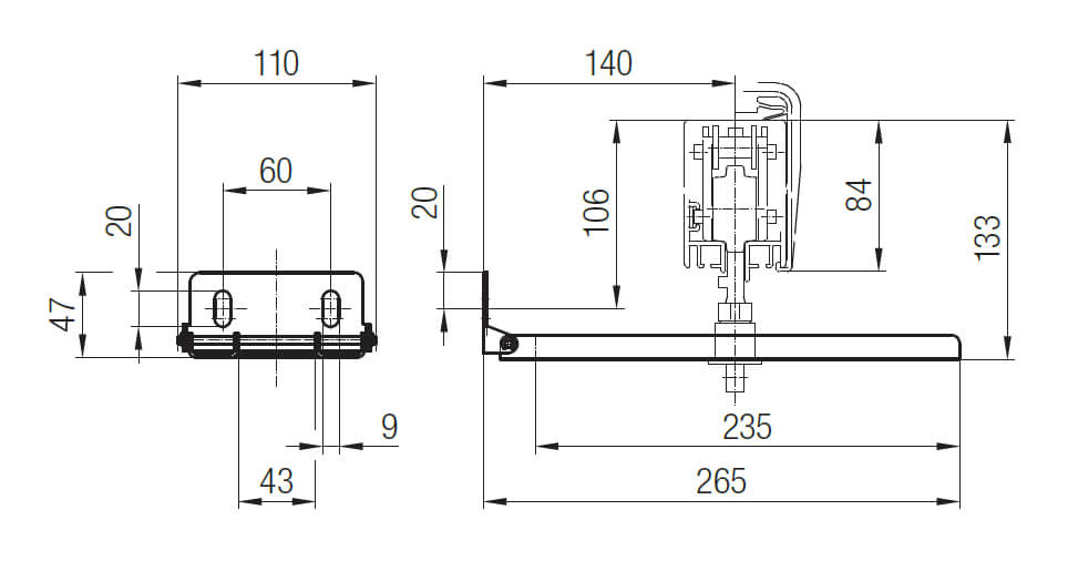
Die Mitnehmer übernehmen die Entkopplung von Kräften und Positionierung des Stromabnehmerwagens beim Verlassen des Schienenprofils.
Für gerade, nicht unterbrochene Systeme eignen sich Ketten- und Gabelmitnehmer.
Für Kurvenbahnen kommt der Gabelmitnehmer zum Einsatz.
Bei Systemen mit Ausfahrt aus dem System ist zwingend ein Federmitnehmer notwendig. Dieser hält den Stromabnehmer außerhalb des Schleifleitungsprofils in Position.
