| Druckkraft | 12 t |
| Zylinderhub | 150 mm |
| Pumpenart | Hand |
| Pressenbauform | Stand |
| Pumpentyp | HPS-2/0.7 A |
| Zylindertyp | YCS-21/150 |
| Gewicht ca. | 225 kg |
| Artikel-Nr.: | YALE-N13700895 |
Hebezeuge sind in vielen Bereichen der Industrie und des Handwerks unverzichtbar, um schwere Lasten zu bewegen und zu heben. Damit diese Hebezeuge sicher und zuverlässig arbeiten, müssen sie regelmäßig geprüft und gewartet werden. Hierfür gibt es spezielle Hebezeug-Prüfstände wie den RPYS-1215.
Der RPYS-1215 Hebezeug-Prüfstand ist für eine maximale Druckkraft von 12 Tonnen ausgelegt und hat einen Zylinderhub von 150 mm. Die Pumpe ist eine Handpumpe vom Typ HPS-2/0.7 A. Der Zylinder ist vom Typ YCS-21/150.
Ein wichtiges Merkmal des RPYS-1215 Prüfstandes ist der stabile und dehnungsarme Pressenrahmen. Dies sorgt für eine hohe Stabilität und Präzision bei der Durchführung von Prüfungen. Die obere und untere Hakenaufhängung erfolgt mittels Schäkel und ist einfach zu handhaben.
Die seitliche Pumpenkonsole erleichtert die Bedienung und sorgt für eine ergonomische Arbeitsweise. Die stufenlose Einstellung der Zugkraft ermöglicht eine präzise Anpassung an die jeweiligen Prüfanforderungen.
Mit einem Gewicht von ca. 225 kg ist der RPYS-1215 Hebezeug-Prüfstand robust und stabil. Er eignet sich für den Einsatz in Werkstätten, Prüflaboren und anderen Industrieumgebungen.
Insgesamt ist der RPYS-1215 Hebezeug-Prüfstand eine zuverlässige und benutzerfreundliche Lösung für die Prüfung und Wartung von Hebezeugen. Seine hochwertige Konstruktion und präzise Arbeitsweise machen ihn zu einem unverzichtbaren Werkzeug für jeden, der schwere Lasten heben und bewegen muss.
| Artikel-Nr. | N13700895 | |
| Modell | RPYS-1215 | |
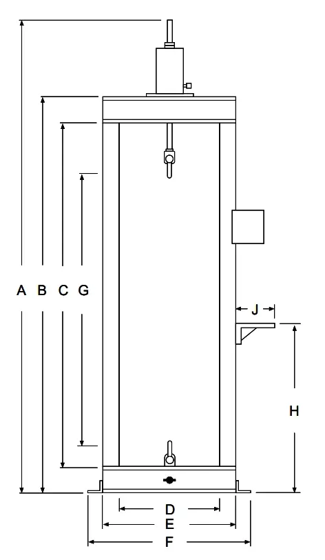
| A | 2.580 - 2.730 | mm |
| B | 2.160 | mm |
| C | 1.840 | mm |
| D | 500 | mm |
| E | 630 | mm |
| F | 760 | mm |
| G* | 1.030 - 1.425 | mm |
| H | 750 | mm |
| J | 150 | mm |
| Gewicht | 225 | kg |
