
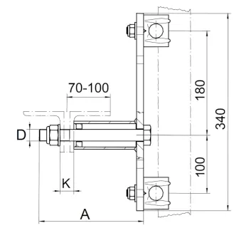
Die Tractel Halterung für Gittermasten ist eine Befestigungslösung zur Montage von FABA-Leitern an Stahlkonstruktionen, insbesondere an Eckprofilen und Stahlgittermasten. Sie ist für Eckprofile von 80 x 80 mm bis 250 x 250 mm sowie für X-Profile von 160 x 160 mm bis 200 x 200 mm ausgelegt und im Umfeld A11, feuerverzinkt zugeordnet.
Die Tractel Halterung für Gittermasten ist eine Befestigungslösung zur Montage von FABA-Leitern an Stahlkonstruktionen, insbesondere an Eckprofilen und Stahlgittermasten. Sie ist für Eckprofile von 80 x 80 mm bis 250 x 250 mm sowie für X-Profile von 160 x 160 mm bis 200 x 200 mm ausgelegt und im Umfeld A11, feuerverzinkt zugeordnet.
Die Tractel Halterung für Gittermasten ist eine Befestigungslösung zur Montage von FABA-Leitern an Stahlkonstruktionen, insbesondere an Eckprofilen und Stahlgittermasten. Sie unterstützt eine stabile Anbindung der Steigleiter an das Bauwerk und ist für typische Mast- und Profilkonstruktionen im Anlagen- und Infrastrukturbereich ausgelegt.
Die Halterung wird innerhalb des FABA Steigleiter A11-Systemumfelds eingesetzt und ist für Konstruktionen dimensioniert, bei denen die Leiter an Profilen oder Maststrukturen geführt werden muss. Die Auslegung für unterschiedliche Profilgeometrien unterstützt eine praxisgerechte Anpassung an verschiedene Bauwerksausführungen.
Die Halterung ist für verschiedene Profilgeometrien vorgesehen und kann je nach Bauwerksausführung ausgewählt werden.
Als Befestigungskomponente in einem Steigleiter-System ist die fachgerechte Montage an der tragfähigen Konstruktion sowie die korrekte Ausrichtung der Leiter entscheidend für eine sichere Nutzung. Die Auslegung der Halterung richtet sich auf die Befestigung an typischen Stahlprofilen und Gittermast-Strukturen.
| Merkmal | Angabe |
|---|---|
| Produkt | Halterung für Gittermasten |
| Marke | Tractel |
| Systemzuordnung | A11, feuerverzinkt |
| Geeignete Bauwerksgeometrie | Eckprofile und Stahlgittermasten |
| Profilbereich (Eckprofile) | 80 x 80 mm bis 250 x 250 mm |
| Profilbereich (X-Profile) | 160 x 160 mm bis 200 x 200 mm |
Kurzbeschreibung, Systemzuordnung und Artikelauswahl.
https://www.tomanro.de/4994-Tractel_Halterung_fuer_Gittermasten-TypenSystemübersicht mit Komponenten und Varianten.
https://www.tomanro.de/376-FABA_Steigleiter_A11-GruppeSchiene als zentrale Systemkomponente im A11-Umfeld.
https://www.tomanro.de/4988-Tractel_Steigschutzschiene-TypenMitlaufendes Auffanggerät als Systemkomponente.
https://www.tomanro.de/4983-Tractel_Fangwagen_FABA_Klassik-TypenAlternative Befestigung an Eckprofil-Geometrien.
https://www.tomanro.de/4993-Tractel_Halterung_fuer_Eckprofile-TypenBefestigungslösung für runde Mastkonstruktionen.
https://www.tomanro.de/4996-Tractel_Halterung_fuer_Rundmast-Typen
