Einfach montierbares Fahrwerk zum Anschlagen und Verfahren von Lasten an Trägerprofilen.
Das Fahrwerk dient dem flurfreien horizontalen Verfahren von angehängten Lasten bis zur
angegebenen maximalen Tragfähigkeit. Durch seine einfache Montage und die Möglichkeit
der schnellen Einstellung auf verschiedene Trägerflanschbreiten bietet es sich zum
vorübergehenden Errichten eines Anschlagpunktes an verschienenden Trägerprofilen an.
Das Fahrwerk ist für einen weiten Trägerbereich sowie für verschiedenste Profile (z.B. INP,
IPE, IPB, etc.) geeignet, deren maximale Neigung des Trägerflansches 14° nicht übersteigt.
Das Längsgefälle der Fahrwegoberfläche darf 0,3% nicht übersteigen, da das Fahrwerk ungebremst ist und seine Position unter Last nicht halten könnte.
Nach dem Einstellen der korrekten Fahrwerksbreite ist die Einstellung der Gewindespindel durch
den Kontergriff zu sichern.
Yale Hebezeuge sind nicht für den Personentransport bestimmt und dürfen für diesen Zweck nicht verwendet werden.
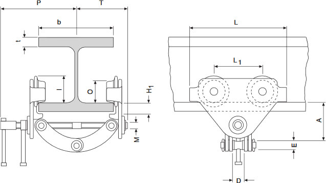
| Rollklemme CTP 1000 kg | ||
|---|---|---|
| A | 82 - 109 | mm |
| D | 26 | mm |
| E | 22 | mm |
| H1 | 20 | mm |
| l | 53 | mm |
| L | 160 | mm |
| L1 | 75 | mm |
| M | M12 | mm |
| O | 46 | mm |
| P | 153 | mm |
| T | 105 | mm |
| tmax | 15 | mm |
