| Seilzugfähigkeit 1. Lage | 500 kg |
| Windentyp | Wandwinde |
| max. Seilaufnahme | 67.4 m |
| Seildurchmesser | 6 mm |
| Ausführung | Grauguss |
| Gewicht ca. | 42 kg |
| Artikel-Nr.: | K40808 |
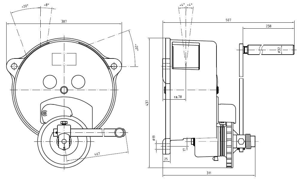
Eine Winde, die jedem Wetter trotzt. Ihr Gehäuse ist aus wetterfestem Grauguss, Bremseinheit und Getriebe gekapselt. Die Last wird bei der Wandwinde WH 5 L durch eine Lastdruckbremse in jeder Stellung sicher gehalten. Der Clou: Sobald die Kurbel betätigt wird, hebt sich die Sperrklinke vom Sperrad ab und senkt sich erst wieder nachdem die Kurbel stillsteht. Hierdurch ist die Winde im Betrieb nahezu geräuschlos.
Die Kraftübertragung erfolgt über stabile Stirnräder mit Fettschmierung. Die Antriebs- und Trommelwelle ist mit robusten Rollenlagern leichtgängig gelagert. Eine Schmierung ist bei Wartungsarbeiten bequem über Schmiernippel möglich. Die Handkurbel ist stufenlos in der Länge verstellbar z.B. bei Teillast. Der Seilabgang ist normalerweise senkrecht nach oben. Es ist aber auch eine Überkopfmontage und ein Seilabgang nach unten realisierbar, sowie in jede andere Richtung auch.
