| Tragkraft | 360 kg |
| Ausladung | 1400 - 2000 mm |
| Werkstoff Kran | Edelstahl V2A 1.4301 |
| Werkstoff Winde | Edelstahl rostfrei |
| Seillänge (Standard) | 12 m |
| Seil-Ø | 5 mm |
| Kurbeldruck | 145 N |
| Hub / Kurbelumdrehung 1. Seillage | 46 mm |
| Gewicht ca. | 78 kg |
| Artikel-Nr.: | HAC231179 |
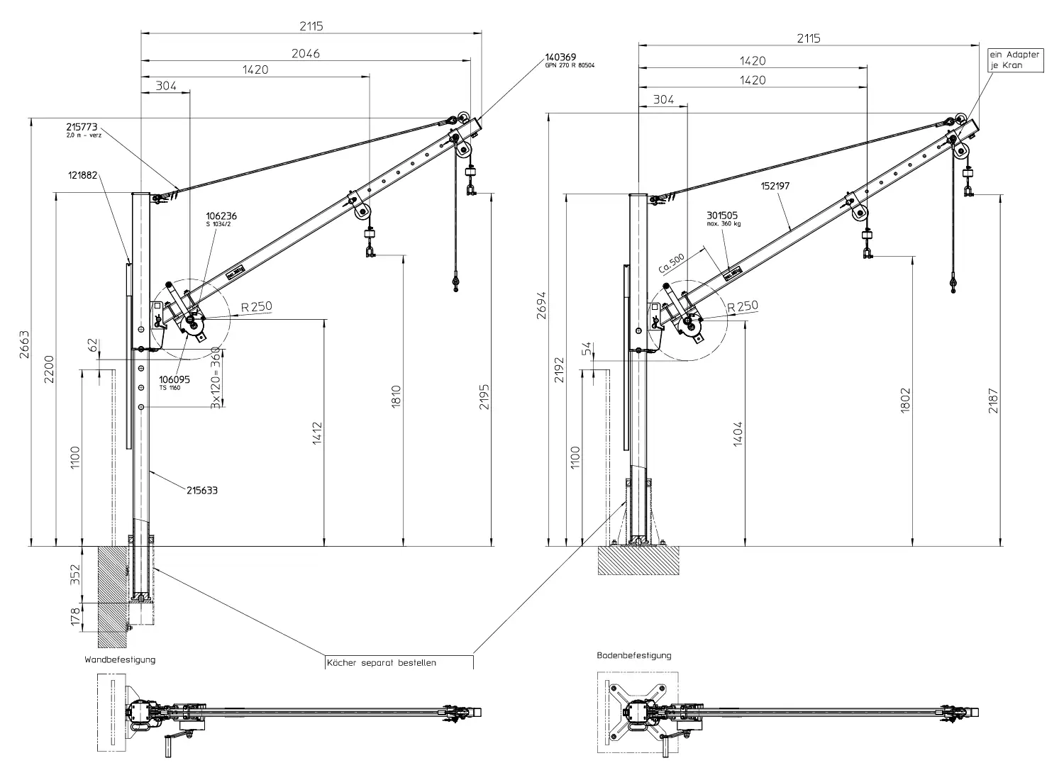
Universeller Drehkran, spezieller Einsatzbereich: Kläranlagen
Drehkran aus Edelstahl mit einer Tragkraft von max. 360 kg und einer Ausladung von 1400 - 2000 mm.
Über das Versetzen der Umlenkrolle am Kranausleger wird die Ausladung eingestellt. Mit zusätzlichem Drahtseil zum Umhängen der Last bei großen Hubhöhen.
Die verbaute Handseilwinde Typ Tango aus hochwertigem Edelstahl ist auf dem Kranausleger höhenverstellbar angebracht. Ein Edelstahlseil mit 12 m Länge ist im Lieferumfang enthalten.
Wand- oder Bodenköcher sind nicht Bestandteil dieses Artikels und müssen gesondert bestellt werden. Sie finden diese Produkte im Zubehör (siehe Button oben).
Der Kran ist im Köcher drehbar gelagert. Hierbei verhilft ein Schwenkhebel den Kran in seine gewünscht Lage auszurichten. Der Schwenkhebel ist ebenfalls über das Zubehör beziehbar.
