| Tragfähigkeit | 1500 kg |
| Baugröße | hoch |
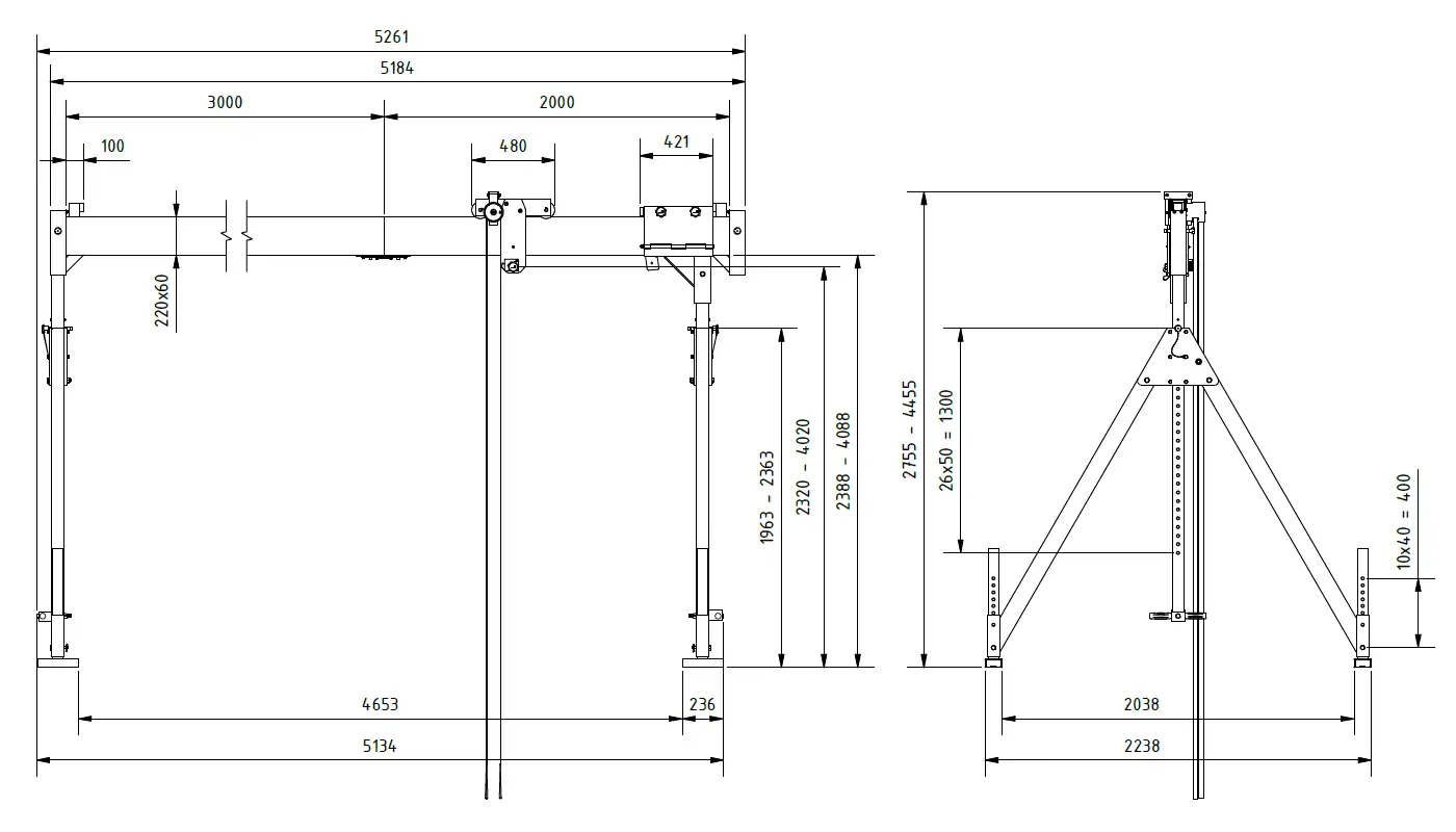
| lichte Trägerlänge | 5000 mm |
| Einhängepunkt an Laufkatze | 2310 - 4010 mm |
| Gesamthöhe | 2755 - 4455 mm |
| Trägerlänge gesamt | 5184 mm |
| Breite des Seitengestells | 2238 mm |
| Unterkante Alu-Träger | 2388 - 4088 mm |
| Gewicht ca. | 209.7 kg |
| Artikel-Nr.: | 1331550-10 |
Der SCHILLING Alu-Portalkran Standard in hoher Ausführung lässt sich einfach in seine Einzelkomponenten zerlegen und ohne zusätzliches Werkzeug wieder aufbauen. Perfekt geeignet für den mobilen Einsatz, ob in der Werkstatt oder der Wildnis. Seine Einzelteile sind im Nu zu einem Kran montiert. Die meisten Teile sind über Steckverbindungen und Bolzen gesichert.
Seine Füße ragen weit auseinander, um einen guten und sicheren Stand zu gewährleisten. Sein Portal ist in Höhe und Breite verstellbar und lässt sich schnell an vorhandene Gegebenheiten anpassen. Eines seiner Seitengestelle ist entlang des Portalträgers verschiebbar und bietet die Möglichkeit, die Durchfahrbreite zu verjüngen. So lassen sich die Stützen auf einen minimalen Abstand von 2.0 m zusammenschieben. Eine feine Rasterung im Holmen des Seitengestells, erlaubt die Höhenverstellung des Portalträgers.
Die Aluminium- und Kunststoff-Teile sind für den rauen Betrieb auf Baustellen und den aggressiven Umgebungen in Kläranlagen und Häfen ausgelegt. Die leichten, widerstandsfähigen Werkstoffe sorgen bei diesem Produkt für eine hohe Standzeit.
Der Portalträger lässt sich in zwei Teile zerlegen. Hierdruch kann er platzsparend transportiert und auf kleinstem Raum verstaut werden. Zudem findet er in Transportern oder auf Pritschen Platz. Beispielsweise lässt er sich mit folgenden Trägerlängen eingesetzen:
Eine leichtläufige Laufkatze ist im Lieferumfang schon enthalten. Serienmäßig ist das Rollfahrwerk mit einer Feststellvorrichtung ausgestattet. Durch Zug an dem roten Band wird die Bremsung ausgelöst, wodurch die Katze am Träger blockiert. Zieht man am grünen Band löst sich die Bremse. Im Außeneinsatz oder auf Schiffen, lässt sich der Portalträger nicht immer waagerecht ausrichten. Hier bedient man sich des Feststellers, um ein ungewolltes Wegrollen der belasteten Katze zu verhindern.
