Die PLANETA-Umlenkrollenböcke sind optimal für anspruchsvolle Drahtseilumlenkungen in elektrisch und manuell betriebenen Anlagen entwickelt. Sie unterstützen Volllasten in beliebigen Umlenkrichtungen, unabhängig von der Montageposition. Ihre robusten Gehäuse sind aus gebogenem oder geschweißtem Stahlblech gefertigt, je nach erforderlicher Tragfähigkeit. Die Seilrollen mit Präzisionsrillen nach DIN 15061 und entsprechend der Triebwerkgruppe 1Bm/M3 nach DIN 15020 reduzieren Verschleiß an Seil und Rolle erheblich. Die integrierten 2RS-Kugellager gewährleisten einen wartungsfreien und geräuscharmen Betrieb. Zudem bieten die Achshalter-Abspringschutz-Bleche zusätzliche Sicherheit, indem sie das Seil auf der Rolle halten und ein einfaches, manuelles Einstellen der Umlenkrichtung ermöglichen.
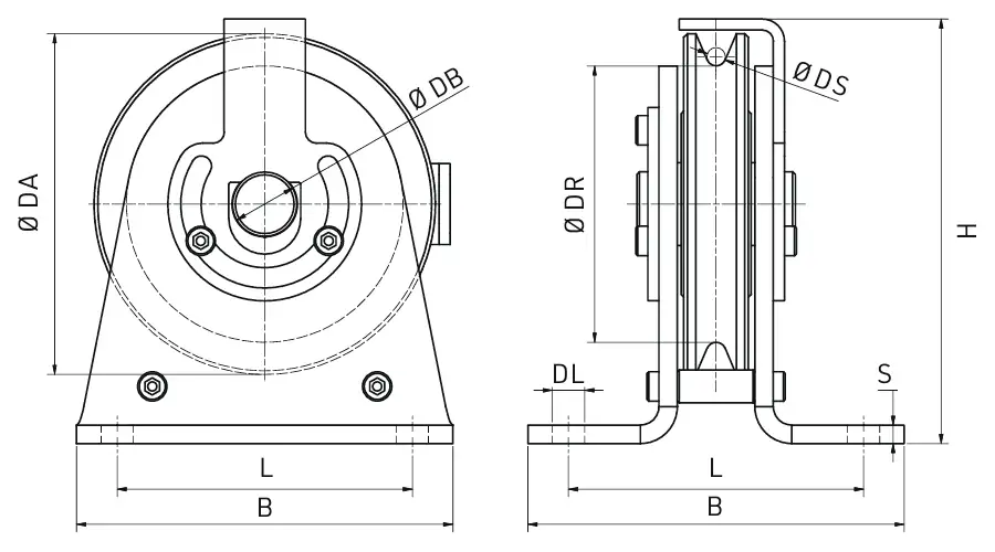
| Umlenkrollenbock ULRB 5 mm | ||
|---|---|---|
| Tragfähigkeit | 500 | kg |
| Seilkraft bei 180°-Umschlingung max. | 250 | kg |
| Seil-Ø max. (DS) | 5 | mm |
| Rillengrund-Ø Seilrolle (DR) | 75 | mm |
| Außen-Ø Seilrolle (DA) | 100 | mm |
| Bolzen-Ø (DB) | 15 | mm |
| Lochabstand (L) | 80 | mm |
| Anschraubloch-Ø (DL) | 9 | mm |
| Blechstärke (S) | 5 | mm |
| Baubreite (B) | 104 | mm |
| Bauhöhe (H) | 124 | mm |
