| Seilzugfähigkeit 1. Lage | 250 kg |
| Seilzugfähigkeit oberste Lage | 223.2 kg |
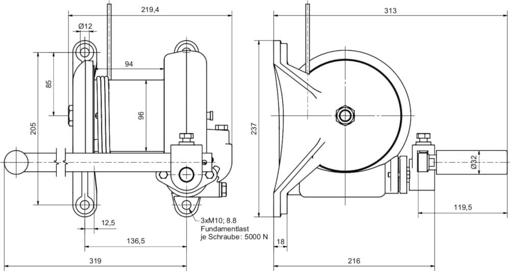
| Windentyp | Wandwinde |
| max. Seilaufnahme | 11.3 m |
| Seildurchmesser | 5 mm |
| Erf. Kurbelkraft bei Volllast | 9.2 daN |
| Hub/Kurbelumdrehung | 20 mm |
| Ausführung | Guss |
| Gewicht ca. | 12.5 kg |
| Artikel-Nr.: | K40803 |
Die Wandwinde WH ist leicht und sicher zu handhaben. Sie ist ausgesprochen laufruhig und gegen Umwelteinflüsse weitestgehend unempfindlich. Erstklassige Verarbeitung in Verbindung mit hochwertiger Mechanik und der typischen gekapselten Bauart sorgen für ihre überdurchschnittliche Lebensdauer. Die WH-Baureihe ist hochstabil gebaut, wird höchsten Qualitätsansprüchen gerecht, steht für enorme Zuverlässigkeit und ist langlebig. Umfangreiche Zusatzausstattungen ermöglichen die Anpassung an verschiedenste Anwendungen. Sie besitzt ein Schneckengetriebe, das in einem Ölbad liegend für einen besonders leichtgängigen Antrieb sorgt. Die Seilwinde WH verfügt über eine hohe Seilaufnahme, einen seilschonenden großen Trommeldurchmesser und eine konische Lastdruckbremse. Alle Seilwinden der Reihe WH werden vor Auslieferung einer 100%igen Qualitätskontrolle unterzogen.
Optional können die Winden mit einer korrosionsbeständigeren Sonderkonservierung behandelt werden. Auf Wunsch lässt sich das Getriebe für eine Boden- oder Überkopfmontage mit einer Fettschmierung liefern, die Seiltrommel für eine größere Seilaufnahme verlängern, eine Rillung einbringen oder mit noch mehr Seilbefestigungen bestücken.
Der Maschinenbau- und Gießereibetrieb Köster fertigt seit mehr als 155 Jahren Handseilwinden aus Grau- und Sphäroguss. Die große Fertigungstiefe reicht vom Gießen der Hauptkomponenten, über die Montage der Winden bis hin zur Endabnahme.
