
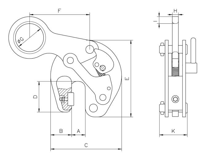
Der Trägergreifer TTR eignet sich besonders zum vertikalen Transport und zum Aus- und Einlagern von Trägern. Durch die weitgehend im Schwerpunkt der Träger liegende Aufhängeöse wird die annähernd vertikale Lage der Trägerflansche erreicht.
Die Sicherheitsarretierung mit Federspannung hält den Greifer auch ohne Zugbelastung am Transportgut fest. Der Hebel ermöglicht die leichte Handhabung beim Öffnen und Schließen der Greiferbacke und arretiert diese in geöffneter Stellung.
Der Trägergreifer TTR eignet sich besonders zum vertikalen Transport und zum Aus- und Einlagern von Trägern. Durch die weitgehend im Schwerpunkt der Träger liegende Aufhängeöse wird die annähernd vertikale Lage der Trägerflansche erreicht.
Die Sicherheitsarretierung mit Federspannung hält den Greifer auch ohne Zugbelastung am Transportgut fest. Der Hebel ermöglicht die leichte Handhabung beim Öffnen und Schließen der Greiferbacke und arretiert diese in geöffneter Stellung.
Der Yale Tigrip TTR Trägergreifer wurde speziell für den vertikalen Transport von Stahlträgern entwickelt. Seine durchdachte Konstruktion mit zentraler Aufhängeöse ermöglicht eine nahezu senkrechte Position der Trägerflansche. Dies macht den Greifer zum idealen Werkzeug für das Aus- und Einlagern von I- und H-Trägern sowie für Hebevorgänge im Hallen- und Baustellenbereich.
Optimiert für die senkrechte Aufnahme von Profilträgern wie IPE, HEA, HEB.
Ermöglicht eine nahezu vertikale Ausrichtung des Trägers beim Heben.
Hält den Greifer durch Federspannung auch ohne Zugbelastung fest am Werkstück.
Hebelmechanismus zum Öffnen, Schließen und Arretieren der Greiferbacke.
Der Trägergreifer TTR ist ideal für Situationen, in denen eine senkrechte Lage der Träger erforderlich ist, beispielsweise bei der Einlagerung in Regalsysteme oder beim Anheben in enge Montagebereiche. Die zentrierte Aufhängeöse sorgt für einen stabilen und sicheren Hebevorgang, wodurch Kippen und Schwingen minimiert werden.
Sicheres Anheben und Positionieren von Trägern auf engem Raum oder bei der Montage.
Optimale Lösung für das vertikale Ein- und Auslagern von Profilträgern.
Einfaches Handling von Trägerabschnitten für weitere Bearbeitung oder Zusammenbau.
Die Sicherheitsarretierung gewährleistet, dass der Greifer auch im unbelasteten Zustand nicht vom Transportgut rutscht – ein wichtiger Vorteil bei Vorbereitungen für Hebevorgänge oder beim Zwischenlagern von Bauteilen.
| Merkmal | Details |
|---|---|
| Modell | Yale Tigrip TTR |
| Typ | Trägergreifer für vertikalen Transport |
| Tragfähigkeit | Je nach Ausführung – bitte technische Daten beachten |
| Greifbereich | Angepasst an verschiedene Trägergrößen |
| Aufhängeöse | Zentral angeordnet für vertikale Ausrichtung |
| Verriegelung | Federspannung mit Sicherheitsarretierung |
| Bedienung | Manuell über Hebelmechanismus |
Bitte vor dem Einsatz sicherstellen, dass der Greifer korrekt auf den Träger abgestimmt ist. Nur in technisch einwandfreiem Zustand und mit tragfähigem Hebezeug verwenden. Bei unsachgemäßer Anwendung kann es zu Verletzungen oder Schäden kommen.
Der Yale Tigrip Trägergreifer TTR ist die ideale Lösung für den vertikalen Transport von Stahlträgern. Seine einfache Handhabung, die durchdachte Sicherheitsarretierung und die präzise zentrierte Aufhängeöse machen ihn zu einem unverzichtbaren Werkzeug im Stahlbau, in der Fertigung und Logistik. Jetzt Yale TTR Trägergreifer kaufen und Hebevorgänge effizient und sicher gestalten.
