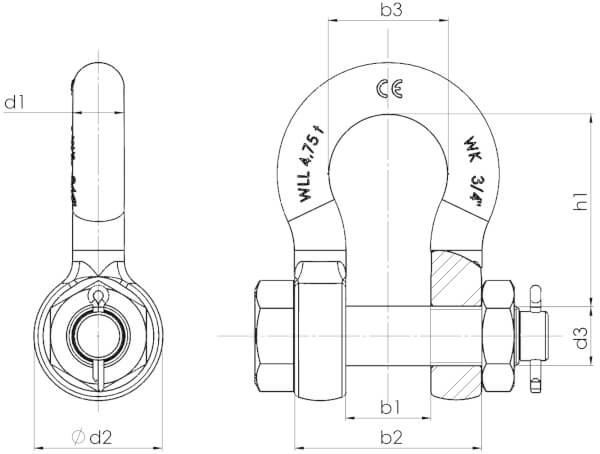
Der günstige und robuste Schäkel für permanente Anschläge. Dieser Schäkeltyp eignet sich für länger andauernde Verbindungen, z.B. an Lastaufnahmemitteln und Hebezeugen. Nach der Montage wird der Schäkelbolzen mit einem Splint gegen unbeabsichtigtes Lösen gesichert. Der Splint sichert die Mutter vor ungewolltem Herausdrehen. Dadurch können Lasten langfristig angeschlagen werden.
Der Schäkel mit Mutter und Splint bietet zudem einen gravierenden Vorteil in der Festigkeit gegenüber anderen Schäkeltypen. Durch die doppelte Auflage des Bolzens in den Schäkelösen wird ein Brechen des Bolzens am Gewindeansatz weitestgehend ausgeschlossen.
Die auf den Artikeln angegebene Traglast WLL … in t darf nicht überschritten werden.
Wir machen darauf aufmerksam, dass das Gewinde d4 nicht in das handelsübliche europäische Gewinde passt.
