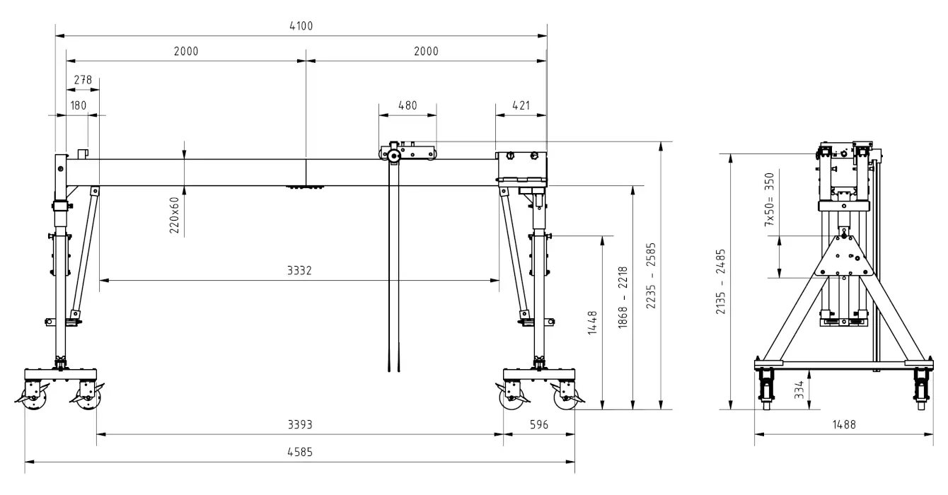
| Tragfähigkeit | 3000 kg |
| Baugröße | klein |
| lichte Trägerlänge | 4000 mm |
| Einhängepunkt an Laufkatze | 2135 - 2485 mm |
| Gesamthöhe | 2235 - 2585 mm |
| Trägerlänge gesamt | 4100 mm |
| Breite des Seitengestells | 1488 mm |
| Unterkante Alu-Träger | 1868 - 2218 mm |
| Gewicht ca. | 362.2 kg |
| Artikel-Nr.: | 14403040-10 |
Der fahrbare Aluminium-Portalkran mit teilbarem Doppelträger bietet maximale Mobilität und Flexibilität für jede Baustelle. Seine stabile Konstruktion erlaubt es, ihn auch unter Last sicher zu verfahren. Die Schwerlastrollen mit langlebigem Polyurethan-Belag hinterlassen keine Spuren und sind besonders widerstandsfähig auf harten Untergründen – selbst Späne können ihnen nichts anhaben. Vier Rollen mit Bremse und Drehkranzmechanismus sorgen für festen Stand und ermöglichen ein präzises, lineares Verfahren des Krans.
Der Kran lässt sich schnell aufbauen und transportieren – alle Teile sind leicht und von einer Person tragbar. Steckverbindungen und Sicherungsbolzen machen die Montage einfach, während Streben für zusätzliche Stabilität sorgen. Für maximale Flexibilität lässt sich der Kran höhenverstellen, und seine nutzbare Länge kann stufenlos angepasst werden.
Transportfreundlich zerlegbar, passt er mühelos in Transporter oder auf Pritschenwagen. Ein Hebezeug wie ein Flaschenzug oder Elektrokettenzug lässt sich einfach in die Laufkatze einhängen, die inklusive Rollfahrwerk und Feststellvorrichtung geliefert wird. Schutzpoller an den Enden dämpfen den Aufprall.
Mit robustem Aluminium und hochwertigen Kunststoffteilen hält dieser Kran selbst rauen Bedingungen auf Baustellen, in Kläranlagen oder am Hafen stand – für eine lange Lebensdauer auch in anspruchsvollen Umgebungen.
SCHILLING-Alu-Portalkrane sind für die Sicherung von Personen zertifiziert und zugelassen.
Bestehend aus:
